




如果您无法下载资料,请参考说明:
1、部分资料下载需要金币,请确保您的账户上有足够的金币
2、已购买过的文档,再次下载不重复扣费
3、资料包下载后请先用软件解压,在使用对应软件打开
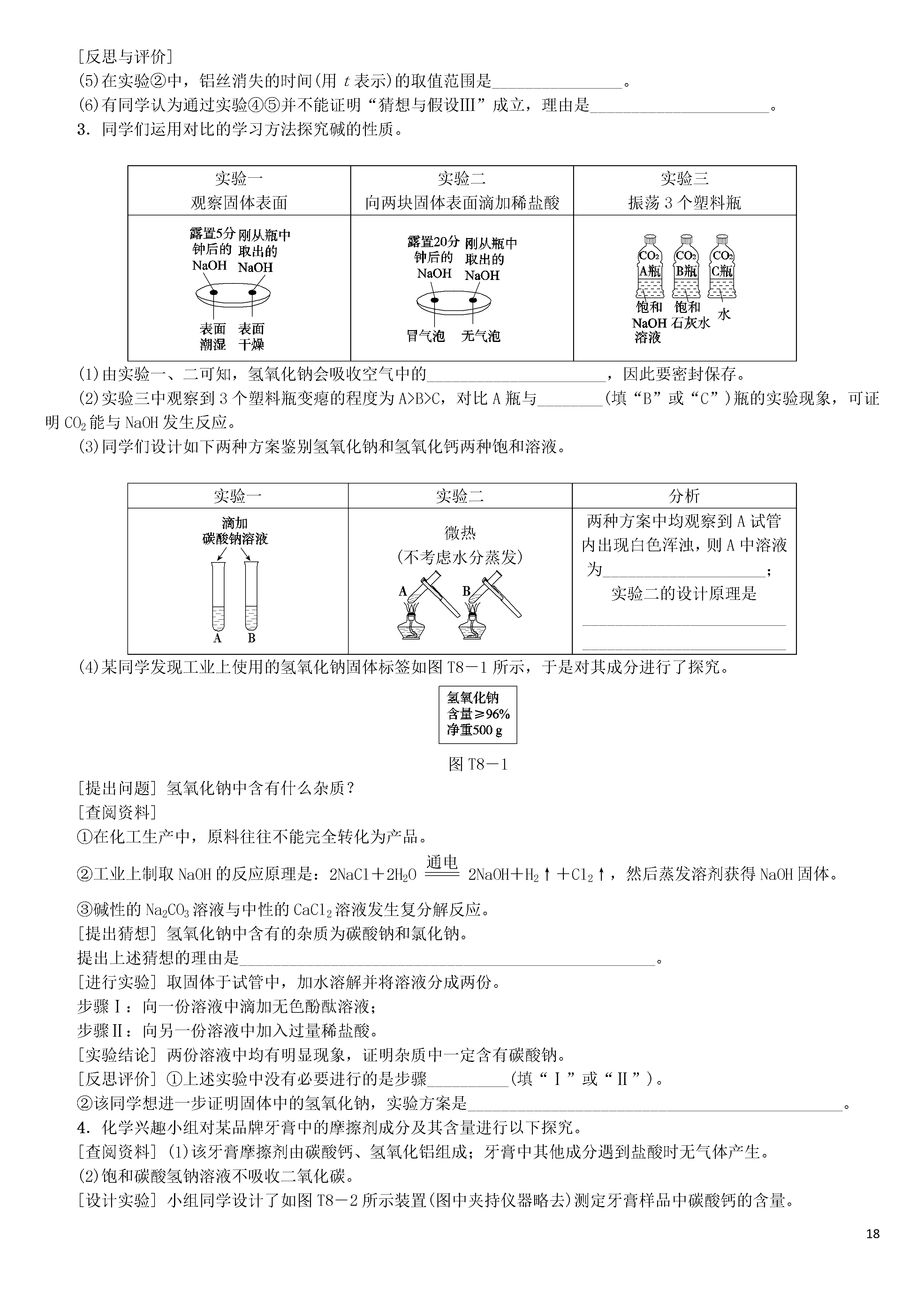
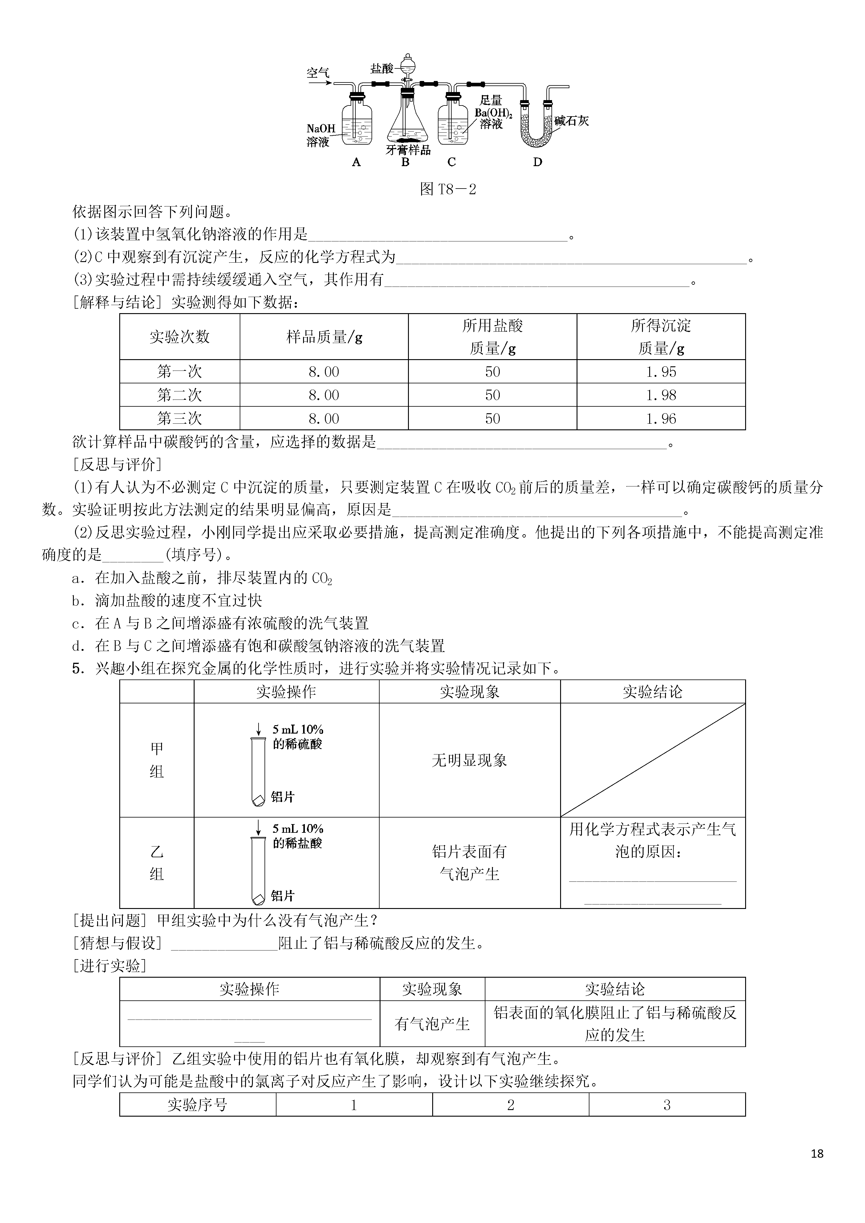
18题型突破(八)科学探究科学探究题一般以生活中常见物质的化学成分或化学现象作为试题的主要内容,以实验为研究手段展开研究。试题通常按照问题情境、查阅资料和探究过程构建。探究实验的过程一般包括发现问题、提出问题、猜想或假设、设计实验、完成探究、得出结论、评价与反思等几个方面。由于题干中文字、图片、信息、数据较多,要回答的问题逻辑性强,要求具备较强的分析、理解、表达能力,所以科学探究题成为中考化学中的一个难点。类型1控制变量对比实验探究1.科学探究小组在探究酸的性质时,做了如下实验:向放有少量CuO粉末的试管中加入6毫升盐酸,观察到黑色粉末很快溶解,并得到蓝色溶液。而向放有少量CuO粉末的试管中加入6毫升硫酸,常温下无明显现象。为什么会产生这种差异呢?[建立猜想]①两种酸溶液的pH不同(注:pH相同,则单位体积溶液中H+数目相同);②两种酸溶液中的__________不同。[实验过程]实验次数试剂实验条件实验现象10.2克CuO粉末和6毫升pH为0的盐酸常温黑色粉末很快溶解,溶液呈蓝色20.2克CuO粉末和6毫升pH为0的硫酸常温无明显现象30.2克CuO粉末、6毫升pH为0的硫酸和0.35克NaCl常温黑色粉末很快溶解,溶液呈蓝色40.2克CuO粉末、6毫升pH为0的硫酸和0.35克______常温无明显现象[实验结论]常温下,pH相同的盐酸和硫酸与CuO反应现象出现差异的原因是________促进了反应的进行。2.[2017·通州二模]同学们对“影响金属与盐酸反应剧烈程度的因素”进行了探究。[提出问题]金属与盐酸反应剧烈程度受哪些因素影响?[作出猜想]Ⅰ.与盐酸的浓度有关;Ⅱ.与温度有关;Ⅲ.与金属的种类有关。[进行实验]实验编号金属盐酸的质量分数/%温度/℃金属丝消失的时间/s①铝丝520450②铝丝820t③铝丝1020240④铝丝103065⑤铁片1030125[解释与结论](1)铝与盐酸反应的化学方程式为______________________________。(2)由实验①③可知,猜想Ⅰ__________(填“成立”或“不成立”)。(3)为了比较盐酸与金属反应的剧烈程度,除了用金属丝消失的时间作为观测指标外,还可以选择______________________________。(4)能表明金属与盐酸反应的剧烈程度与温度有关的实验编号为__________。[反思与评价](5)在实验②中,铝丝消失的时间(用t表示)的取值范围是________________。(6)有同学认为通过实验④⑤并不能证明“猜想与假设Ⅲ”成立,理由是______________________。3.同学们运用对比的学习方法探究碱的性质。实验一观察固体表面实验二向两块固体表面滴加稀盐酸实验三振荡3个塑料瓶(1)由实验一、二可知,氢氧化钠会吸收空气中的______________________,因此要密封保存。(2)实验三中观察到3个塑料瓶变瘪的程度为A>B>C,对比A瓶与________(填“B”或“C”)瓶的实验现象,可证明CO2能与NaOH发生反应。(3)同学们设计如下两种方案鉴别氢氧化钠和氢氧化钙两种饱和溶液。实验一实验二分析微热(不考虑水分蒸发)两种方案中均观察到A试管内出现白色浑浊,则A中溶液为____________________;实验二的设计原理是__________________________________________________(4)某同学发现工业上使用的氢氧化钠固体标签如图T8-1所示,于是对其成分进行了探究。图T8-1[提出问题]氢氧化钠中含有什么杂质?[查阅资料]①在化工生产中,原料往往不能完全转化为产品。②工业上制取NaOH的反应原理是:2NaCl+2H2Oeq\o(=====,\s\up7(通电))2NaOH+H2↑+Cl2↑,然后蒸发溶剂获得NaOH固体。③碱性的Na2CO3溶液与中性的CaCl2溶液发生复分解反应。[提出猜想]氢氧化钠中含有的杂质为碳酸钠和氯化钠。提出上述猜想的理由是___________________________________________________。[进行实验]取固体于试管中,加水溶解并将溶液分成两份。步骤Ⅰ:向一份溶液中滴加无色酚酞溶液;步骤Ⅱ:向另一份溶液中加入过量稀盐酸。[实验结论]两份溶液中均有明显现象,证明杂质中一定含有碳酸钠。[反思评价]①上述实验中没有必要进行的是步骤__________(填“Ⅰ”或“Ⅱ”)。②该同学想进一步证明固体中的氢氧化钠,实验方案是___________________________________

长春****主a
实名认证
内容提供者


最近下载
一种胃肠道超声检查助显剂及其制备方法.pdf
201651206021+莫武林+浅析在互联网时代下酒店的营销策略——以湛江民大喜来登酒店为例.doc
201651206021+莫武林+浅析在互联网时代下酒店的营销策略——以湛江民大喜来登酒店为例.doc
用于空间热电转换的耐高温涡轮发电机转子及其装配方法.pdf
用于空间热电转换的耐高温涡轮发电机转子及其装配方法.pdf
用于空间热电转换的耐高温涡轮发电机转子及其装配方法.pdf
用于空间热电转换的耐高温涡轮发电机转子及其装配方法.pdf
用于空间热电转换的耐高温涡轮发电机转子及其装配方法.pdf
用于空间热电转换的耐高温涡轮发电机转子及其装配方法.pdf
论《离骚》诠释史中的“香草”意蕴.docx