




如果您无法下载资料,请参考说明:
1、部分资料下载需要金币,请确保您的账户上有足够的金币
2、已购买过的文档,再次下载不重复扣费
3、资料包下载后请先用软件解压,在使用对应软件打开
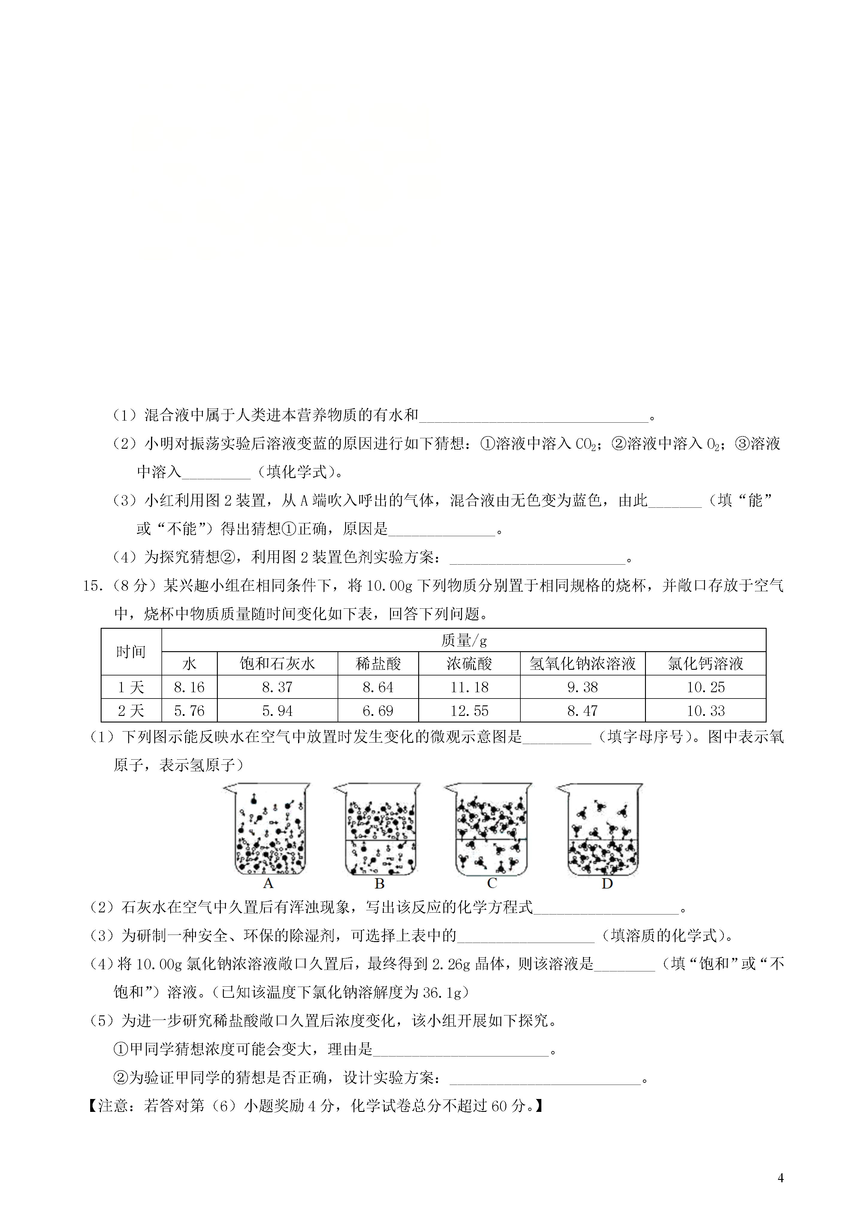
4安徽省2018年中考化学真题试题注意事项:1.化学试卷共三大题16小题,满分60分。化学与物理的考试时间共120分钟。2.试卷包括“试题卷”和“答题卷”两部分,“试题卷”,“答题卷”。3.请务必在“答题卷”上答题,在“试题卷”上答题是无效的。4.考试结束后,请将“试题卷”和“答题卷”一并交回。可能用到的相对原子质量:H-1He-4Na-23Cl-35.5K-39一、本大题包括10小题,每小题2分,共20分。每小题的4个选项中只有一个符合题意。1.陶瓷是中华民族在人类历史上的伟大发明。下列陶瓷制作工艺中发生化学变化的是A.混合B.成型C.晾干D.烧结2.为建设天蓝地绿水净的美丽中国,下列做法不合理的是A.寻找新能源减少使用化石燃料B.施用大量农药减少植物病虫害C.合成新型洗涤剂减少氮磷排放D.研发易降解材料减少白色污染3.硼是作物生长必需的微量营养元素,硼元素的相关信息如图所示。下列有关硼的说法正确的是A.相对原子质量为10.81gB.属于金属元素C.原子的核电荷数为5D.原子核外有6个电子4.实验室可通过加热高锰酸钾固体制取氧气,下列实验操作正确的是A.组装好装置后,检查装置的气密性B.加入药品后,直接将酒精灯火焰对准药品加热C.水槽中有气泡冒出时,立即收集气体D.实验结束时,先移走酒精灯再从水槽中移出导管5.化学与人类健康密切相关。下列说法正确的是A.硬水经过滤后可软化B.食用碘盐可预防骨质疏松C.霉变大米经淘洗后可食用D.控制油脂摄入可减少肥胖的发生6.归纳法是学习化学的重要方法之一,下列图示正确的是为A.化学反应分类B.物质分类C.地壳中元素含量型D.金属的化学性质7.科学家研制出一中代号为DEPA的安全驱蚊剂,其化学式为C12H17NO。下列有关该物质的说法中正确的是A.属于无机物B.碳、氢元素质量比为12:17C.由4中元素组成D.由31个原子构成8.为实现二氧化碳的绿色利用,科学家用固碳酶作催化剂设计了如下转化过程。下列有关说法正确的是A.反应①的化学方程式为CO2+C=COB.固碳酶在反应前后化学性质发生变化C.X的化学式为CH2D.该过程实现了无机物向有机物的转化9.对比实验是实验探究的重要方法,下列对比实验设计能实现相应实验目的的是选项实验目的实验设计选项实验目的实验设计A探究温度对分子运动快慢的影响B探究水对铁钉锈蚀的影响C探究空气是燃烧的必要条件D探究CO2与水反生反应10.实验室测定蜡烛在盛有一定体积空气的密闭容器内燃烧至熄灭过程中,O2和CO含量随时间变化曲线如右图,通过分析该图可推理出的结论是A.曲线①表示CO含量的变化B.蜡烛发生了不完全燃烧C.蜡烛由碳、氢元素组成D.蜡烛熄灭时,容器内氧气耗尽二、本大题包括5小题,共34分11.(6分)材料有着广泛的应用,根据下列信息回答问题。应用“蛟龙号”深潜器“神舟”五号宇航员航天服新型水处理剂用到的材料特种钢高强度涤纶纳米铁粉(1)上述材料中属于有机合成材料的是___________;属于合金的是_________。(2)纳米铁粉能吸附水中的某些污染物,吸附后经沉降、_____________(填操作名称)可除去污染物。下列物质也能因吸附而具有净水作用的是_____________(填字母序号)。a.生石灰b.活性炭c.纯碱(3)纳米铁粉还能除去废水中的重金属离子(如铜离子),写出铁粉与含硫酸铜的废水反应的化学方程式__________________________。12.(7分)下图是实验室中常见装置,回答下列问题。查阅资料:常温下,CO2难溶于饱和NaHCO3溶液。X——ADCB(1)仪器X的名称是_______。(2)实验室制取应CO2选用的发生装置是_______(填字母序号)反应的化学方程式是_______________,该反应属于__________(填反应类型)。(3)常温下,下列收集CO2的方法中不可行的是____________(填字母序号)。a.向上排空气法b.向下排空气法c.排饱和NaHCO3溶液法(4)某同学进行图D所示的操作时,观察到高的蜡烛先熄灭,其原因可能是_____________________。13.(7分)废旧电路板中主要含有塑料、铜和锡(Sn)等,为实现对其中锡的绿色回收,某工艺流程如下。废旧电路板粉碎分选含铜、锡等金属粉SnCl4溶液步骤①固体ASnCl2溶液电解步骤②SnCl4Sn已知:Sn+SnCl2=2SnCl4(1)SnCl4中锡元素的化合价是_____________________。(2)铜的金属活动性比锡的________(

新槐****公主
实名认证
内容提供者


最近下载
一种胃肠道超声检查助显剂及其制备方法.pdf
201651206021+莫武林+浅析在互联网时代下酒店的营销策略——以湛江民大喜来登酒店为例.doc
201651206021+莫武林+浅析在互联网时代下酒店的营销策略——以湛江民大喜来登酒店为例.doc
用于空间热电转换的耐高温涡轮发电机转子及其装配方法.pdf
用于空间热电转换的耐高温涡轮发电机转子及其装配方法.pdf
用于空间热电转换的耐高温涡轮发电机转子及其装配方法.pdf
用于空间热电转换的耐高温涡轮发电机转子及其装配方法.pdf
用于空间热电转换的耐高温涡轮发电机转子及其装配方法.pdf
用于空间热电转换的耐高温涡轮发电机转子及其装配方法.pdf
论《离骚》诠释史中的“香草”意蕴.docx