




如果您无法下载资料,请参考说明:
1、部分资料下载需要金币,请确保您的账户上有足够的金币
2、已购买过的文档,再次下载不重复扣费
3、资料包下载后请先用软件解压,在使用对应软件打开
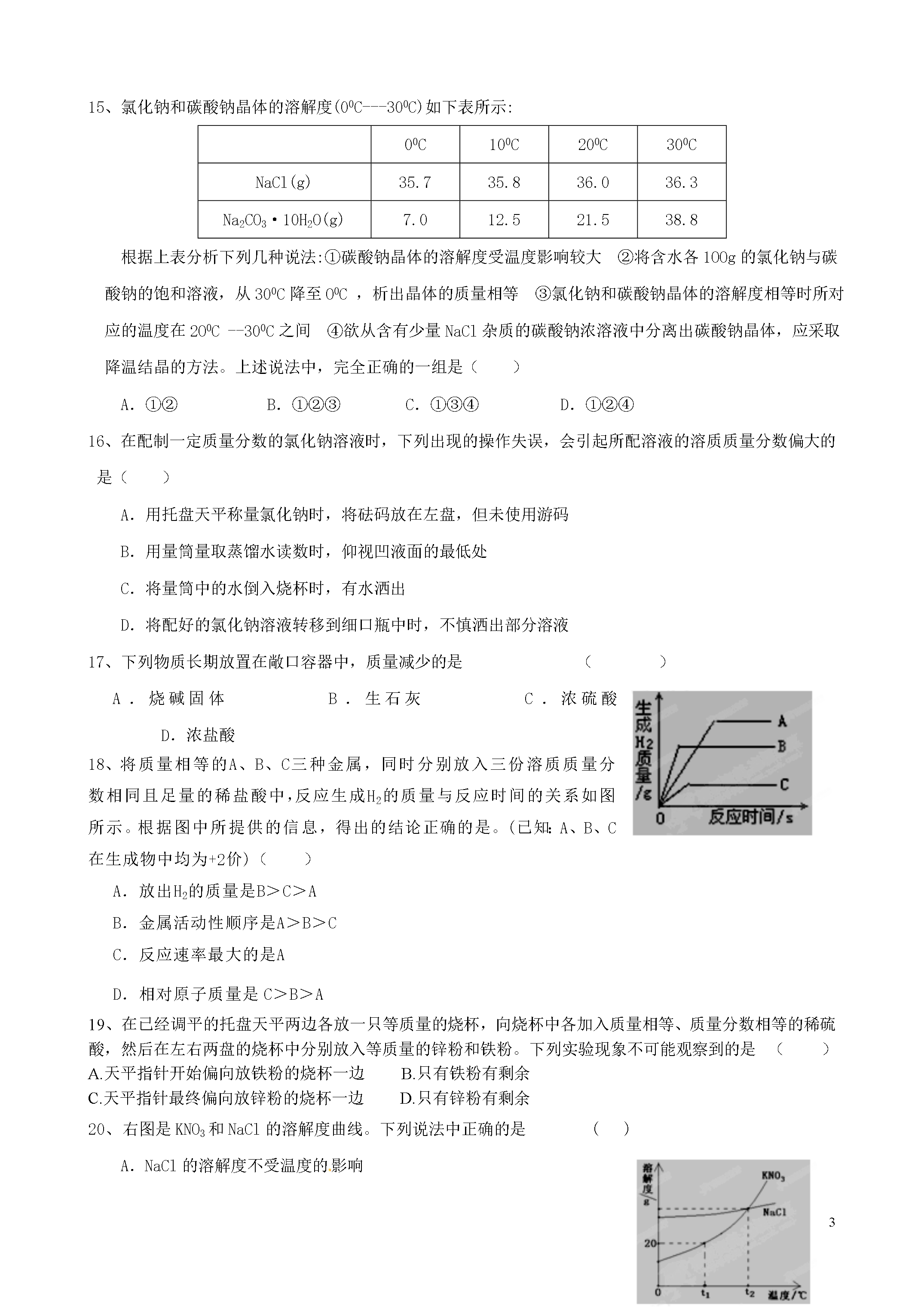
5山东省诸城市龙源学校2015届中考化学一模(期末)考试试题1、下列变化属于化学变化的是()A、青铜受热融化后浇铸成各种形状的工艺品B、保险丝在电路中熔断-C、在铝的表面形成致密的氧化物薄膜D、利用铁的延展性制铁丝2、下列家庭常用物质中,属于纯净物的是()A.牛奶B.酱油C.蒸馏水D.葡萄酒3、下列各组物质的名称或俗称与化学式不相符的是()A.CaCO3石灰石碳酸钙B.CaO生石灰氧化钙C.Ca(OH)2熟石灰消石灰D.NaOH烧碱苛性钠4、厨房常用的下列物质与水混合,不能形成溶液的是()A.食盐B.植物油C.白糖D.白酒5、金属、金属材料的性质在很大程度上决定了它们的用途。下列说法中不正确的是()A.不锈钢抗腐蚀性好,常用于制造医疗器械B.铁具有良好的导热性,可以用于制造炊具C.铝合金轻而坚韧,可作汽车、飞机和火箭的材料D.铅锑合金的熔点较低、电阻率较大,常用于制成发热体7、下列物品需采取防锈措施的是()A.铁制防盗网B.不锈钢菜刀C.铝合金窗D.金戒指8、图中不能正确反映题中所描述的变化事实的是()加热蒸发稀盐酸D固体质量溶质质量分数0时间溶质质量分数0时间溶质质量分数%0接近饱和的氯化钠溶液中加入氯化钠固体AA不饱和硝酸钾溶液升温B一定量水中加入浓硫酸C0浓硫酸质量溶质质量分数9、某单质X能从某溶液中置换出Y,由此推断下列说法中正确的是()A.X一定是排在金属活动顺序表中氢以前的金属B.X是金属时,Y可能是金属,也可能是非金属C.X是金属时,Y一定比X活泼D.X、Y都是金属时,Y一定比X活泼10、2006年2月5日,我市普降大雪,为确保道路的畅通,有关部门向公路上的积雪撒盐以使冰雪很快融化。其原因是()A.盐水的凝固点较低B.盐水的沸点较高C.盐水的凝固点较高D.盐与雪发生反应11、下列潮湿的气体不能用固体的氢氧化钠干燥的是()A.一氧化碳B.氢气C.二氧化碳D.氧气12、下列物质中不属于合金的是()A.青铜B.黄铜C.铁锈D.生铁13、海水淡化可采用膜分离技术,如右图所示,对淡化膜右侧的海水加压,水分子可以透过淡化膜进人左侧淡水池,而海水中的各种离子不能通过淡化膜,从而得到淡水,对加压后右侧海水成分变化进行分析,正确的是()A.溶质质量增加B.溶液质量不变C.溶剂质量减少D.溶质质量分数不变14、木糖醇是目前市场上一种理想的蔗糖替代品,在某些温度下其溶解度分别为:30℃时70g、50℃时84g,、60℃时90g。右图表示的是木糖醇等固体的溶解度曲线。根据曲线判断下列说法错误的是()A.X为木糖醇的溶解度曲线B.随着温度的升高,Z物质的溶解度逐渐减小C.30℃时,X、Y、Z三种物质的饱和溶液中溶质质量分数最大的是YD.50℃时,Y、Z两物质的溶解度相等15、氯化钠和碳酸钠晶体的溶解度(00C---300C)如下表所示:00C100C200C300CNaCl(g)35.735.836.036.3Na2CO3·10H2O(g)7.012.521.538.8根据上表分析下列几种说法:①碳酸钠晶体的溶解度受温度影响较大②将含水各1OOg的氯化钠与碳酸钠的饱和溶液,从300C降至O0C,析出晶体的质量相等③氯化钠和碳酸钠晶体的溶解度相等时所对应的温度在2O0C--300C之间④欲从含有少量NaCl杂质的碳酸钠浓溶液中分离出碳酸钠晶体,应采取降温结晶的方法。上述说法中,完全正确的一组是()A.①②B.①②③C.①③④D.①②④16、在配制一定质量分数的氯化钠溶液时,下列出现的操作失误,会引起所配溶液的溶质质量分数偏大的是()A.用托盘天平称量氯化钠时,将砝码放在左盘,但未使用游码B.用量筒量取蒸馏水读数时,仰视凹液面的最低处C.将量筒中的水倒入烧杯时,有水洒出D.将配好的氯化钠溶液转移到细口瓶中时,不慎洒出部分溶液17、下列物质长期放置在敞口容器中,质量减少的是()A.烧碱固体B.生石灰C.浓硫酸D.浓盐酸18、将质量相等的A、B、C三种金属,同时分别放入三份溶质质量分数相同且足量的稀盐酸中,反应生成H2的质量与反应时间的关系如图所示。根据图中所提供的信息,得出的结论正确的是。(已知:A、B、C在生成物中均为+2价)()A.放出H2的质量是B>C>AB.金属活动性顺序是A>B>CC.反应速率最大的是AD.相对原子质量是C>B>A19、在已经调平的托盘天平两边各放一只等质量的烧杯,向烧杯中各加入质量相等、质量分数相等的稀硫酸,然后在左右两盘的烧杯中分别放入等质量的锌粉和铁粉。下列实验现象不可能观察到的是()A.天平指针开始偏向放铁粉的烧杯一边B.只有铁粉有剩余C.天平指针最终偏向放锌粉的烧杯一边D.只有锌粉有剩余20、右图是KNO3和NaCl的溶解度曲线。下列说法中正确的是()A.NaCl的溶解度不受温度的影响B.t1℃时,100gK

新槐****公主
实名认证
内容提供者


最近下载
一种胃肠道超声检查助显剂及其制备方法.pdf
201651206021+莫武林+浅析在互联网时代下酒店的营销策略——以湛江民大喜来登酒店为例.doc
201651206021+莫武林+浅析在互联网时代下酒店的营销策略——以湛江民大喜来登酒店为例.doc
用于空间热电转换的耐高温涡轮发电机转子及其装配方法.pdf
用于空间热电转换的耐高温涡轮发电机转子及其装配方法.pdf
用于空间热电转换的耐高温涡轮发电机转子及其装配方法.pdf
用于空间热电转换的耐高温涡轮发电机转子及其装配方法.pdf
用于空间热电转换的耐高温涡轮发电机转子及其装配方法.pdf
用于空间热电转换的耐高温涡轮发电机转子及其装配方法.pdf
论《离骚》诠释史中的“香草”意蕴.docx