




如果您无法下载资料,请参考说明:
1、部分资料下载需要金币,请确保您的账户上有足够的金币
2、已购买过的文档,再次下载不重复扣费
3、资料包下载后请先用软件解压,在使用对应软件打开
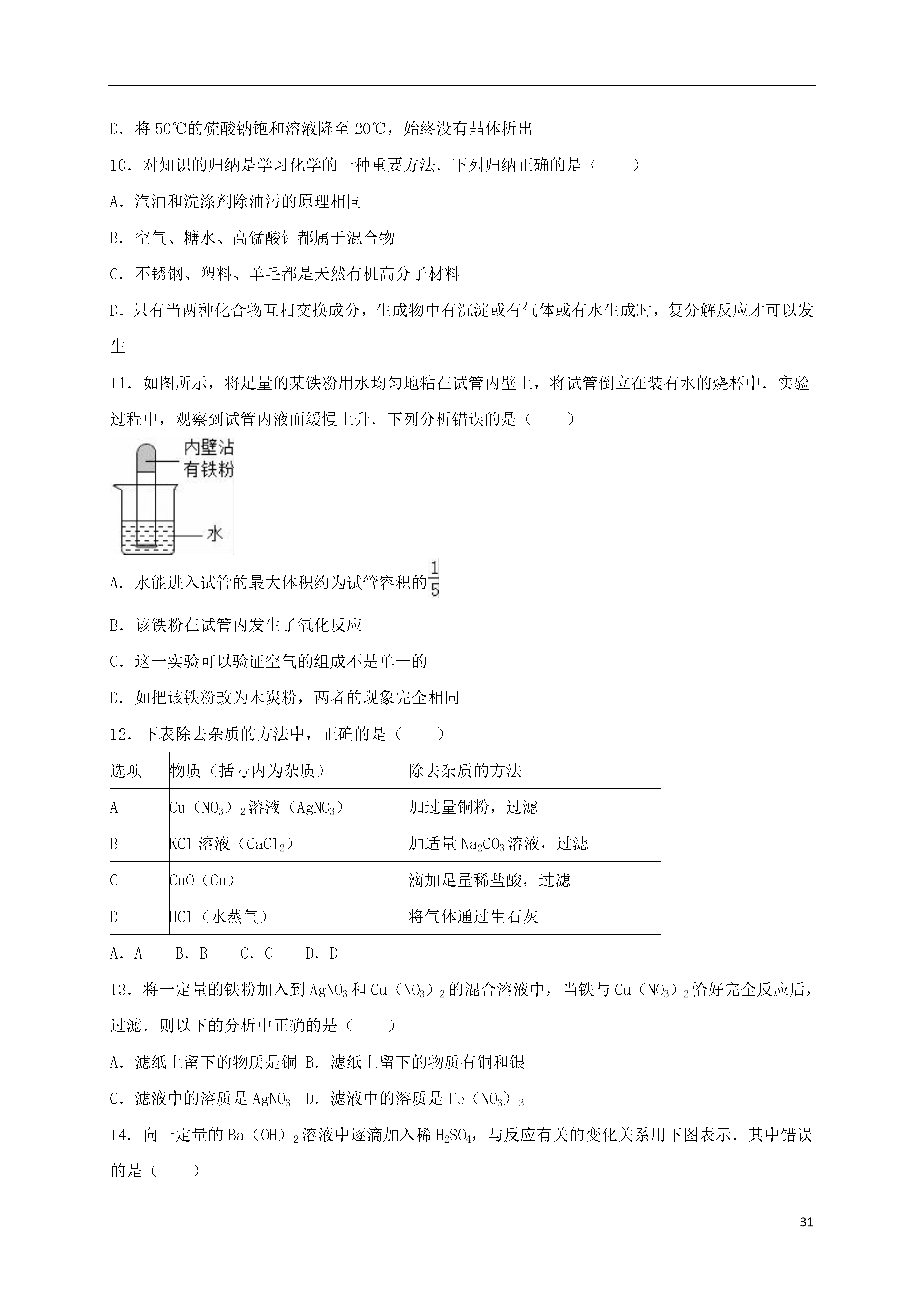
312016年广东省汕头市潮南区中考化学模拟试卷(A卷)一、选择题1.下列物质中,属于纯净物的是()A.矿泉水B.清洁的空气C.胆矾D.澄清的石灰水2.下表是某城市空气质量每周公报的部分内容,下列情况对表中三个空气质量指标不会产生影响的是()项目空气污染指数空气质量级别空气质量描述总悬浮颗粒52Ⅱ良二氧化硫7二氧化氮24A.用天然气作燃料B.焚烧垃圾C.汽车排放的尾气D.用煤和石油作燃料3.用工业酒精与水勾兑的假酒,饮用后会导致人双目失明甚至死亡.其中含有的有毒物质是()A.甲醇B.乙醇C.酒精D.醋酸4.下列物质的用途与该物质的物理性质有关的是()A.用硫酸除去金属表面的铁锈B.用氧气炼钢、炼铁C.用氢气作高能燃料D.用干冰进行人工降雨5.在生产生活实际中,以下做法不正确的是()A.用熟石灰改良酸性土壤,提高土壤的pHB.当厨房里天然气泄露时,立即打开抽风机C.使用塑料桶配制波尔多液以确保杀菌效果D.经常保持自行车各零部件的清洁与干燥以延长其使用寿命6.能一次区别开NaOH、H2SO4和H2O的试剂是()A.锌粒B.无色酚酞试液C.氯化钡溶液D.紫色石蕊试液7.如图是初中化学中的一些基本实验,不能达到实验目的是()A.制取氧气B.稀释浓硫酸C.检查装置气密性D.粗盐过滤8.近期,英国科学家造出“干水”.“干水”的每个颗粒内部是一颗水滴,外层是二氧化硅.下列有关判断正确的是()A.水与二氧化硅发生化学反应生成“干水”B.“干水”是混合物C.每个颗粒的“干水”中只含有一个水分子D.“干水”与干冰成分相同、状态不同9.8、氯化铵和硫酸钠溶解度曲线如图所示,从图中获取信息正确的是()A.20℃~40℃,氯化铵的溶解度大于硫酸钠B.两种物质溶解度都随温度升高而增大C.45℃时两种物质饱和溶液的溶质质量分数相等D.将50℃的硫酸钠饱和溶液降至20℃,始终没有晶体析出10.对知识的归纳是学习化学的一种重要方法.下列归纳正确的是()A.汽油和洗涤剂除油污的原理相同B.空气、糖水、高锰酸钾都属于混合物C.不锈钢、塑料、羊毛都是天然有机高分子材料D.只有当两种化合物互相交换成分,生成物中有沉淀或有气体或有水生成时,复分解反应才可以发生11.如图所示,将足量的某铁粉用水均匀地粘在试管内壁上,将试管倒立在装有水的烧杯中.实验过程中,观察到试管内液面缓慢上升.下列分析错误的是()A.水能进入试管的最大体积约为试管容积的B.该铁粉在试管内发生了氧化反应C.这一实验可以验证空气的组成不是单一的D.如把该铁粉改为木炭粉,两者的现象完全相同12.下表除去杂质的方法中,正确的是()选项物质(括号内为杂质)除去杂质的方法ACu(NO3)2溶液(AgNO3)加过量铜粉,过滤BKCl溶液(CaCl2)加适量Na2CO3溶液,过滤CCuO(Cu)滴加足量稀盐酸,过滤DHCl(水蒸气)将气体通过生石灰A.AB.BC.CD.D13.将一定量的铁粉加入到AgNO3和Cu(NO3)2的混合溶液中,当铁与Cu(NO3)2恰好完全反应后,过滤.则以下的分析中正确的是()A.滤纸上留下的物质是铜B.滤纸上留下的物质有铜和银C.滤液中的溶质是AgNO3D.滤液中的溶质是Fe(NO3)314.向一定量的Ba(OH)2溶液中逐滴加入稀H2SO4,与反应有关的变化关系用下图表示.其中错误的是()A.B.C.D.二、填空题(本大题包括5小题,共23分)15.用正确的化学符号填空:(1)硫元素;(2)2个水分子;(3)钙离子;(4)氧化铁.16.化学与生产、生活密切相关.请从①氧气、②石墨、③盐酸、④熟石灰、⑤氯化钠中选择适当的数字序号填空:(1)医疗上用来配制生理盐水的是;(2)能做干电池电极的是;(3)能用于金属表面除锈的是;(4)能用于医疗急救的气体是;(5)能用来处理硫酸废水的是.17.氯化钠和硝酸钾部分温度下的溶解度如表所示:0℃10℃20℃30℃40℃100℃KNO3/g13.320.931.645.863.9246NaCl/g35.735.836.036.336.639.8(1)欲使硝酸钾的不饱和溶液转化为饱和溶液,可以采取的方法之一是.(2)从海水中提取食盐通常采取夏天晾晒海水的方法,这是因为随温度升高氯化钠的溶解度.(3)30℃时,在两个各盛有100g水的烧杯中,分别加入相同质量的氯化钠和硝酸钾,充分溶解后,其结果如图所示.①加入的甲物质是.②有关两种溶液的下列说法中,正确的是.A.升高温度一定能将剩余的甲物质全部溶解;B.所加入的质量一定大于36.3g、小于45.8g;C.得到的乙溶液可能是不饱和溶液,也可能是饱和溶

长春****主a
实名认证
内容提供者


最近下载
一种胃肠道超声检查助显剂及其制备方法.pdf
201651206021+莫武林+浅析在互联网时代下酒店的营销策略——以湛江民大喜来登酒店为例.doc
201651206021+莫武林+浅析在互联网时代下酒店的营销策略——以湛江民大喜来登酒店为例.doc
用于空间热电转换的耐高温涡轮发电机转子及其装配方法.pdf
用于空间热电转换的耐高温涡轮发电机转子及其装配方法.pdf
用于空间热电转换的耐高温涡轮发电机转子及其装配方法.pdf
用于空间热电转换的耐高温涡轮发电机转子及其装配方法.pdf
用于空间热电转换的耐高温涡轮发电机转子及其装配方法.pdf
用于空间热电转换的耐高温涡轮发电机转子及其装配方法.pdf
论《离骚》诠释史中的“香草”意蕴.docx