




如果您无法下载资料,请参考说明:
1、部分资料下载需要金币,请确保您的账户上有足够的金币
2、已购买过的文档,再次下载不重复扣费
3、资料包下载后请先用软件解压,在使用对应软件打开
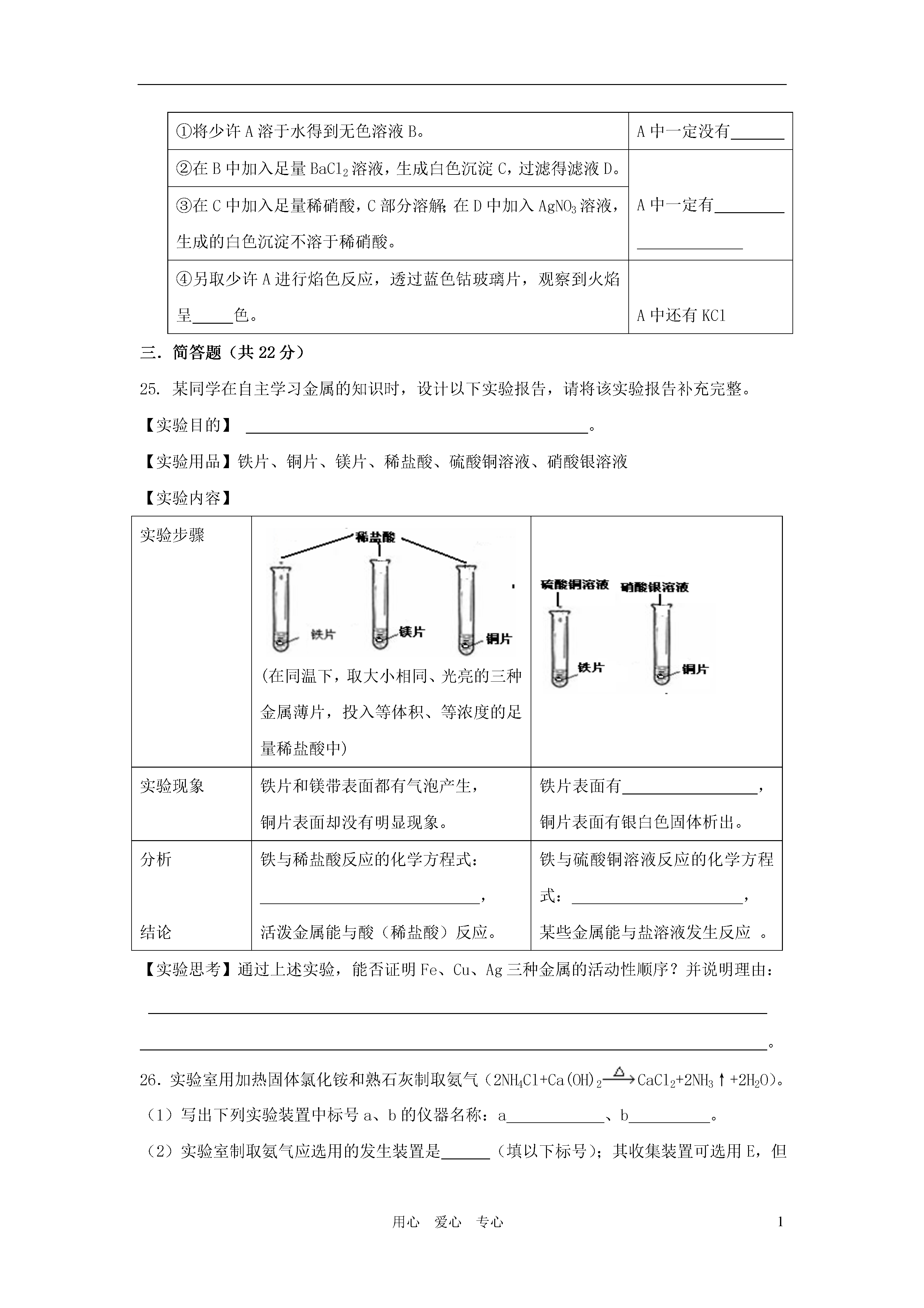
1用心爱心专心2011年化学中考模拟卷(满分60分,考试时间40分钟)相对原子质量:H-1C-12N-14O-16Al-27P-31S-32Ca—40Fe-56一、单项选择题(共20分)1.下列物质中,为红褐色的是()A.铁锈B.氢氧化铁C.四氧化三铁D.氯化铁溶液2.以下属于纯净物的是()A.胆矾B.精盐C.盐酸D.普钙3.纯碱属于()A.氧化物B.酸C.碱D.盐4.下列化学式与物质名称相符合的是()A.H2S:硫酸氢B.Fe(OH)2:氢氧化亚铁C.Na2SO3:硫酸钠D.CaO:消石灰5.2010年上海世博会中国馆“东方之冠”(如图)的主体结构是用国产Q460钢制成的。下列有关Q460钢的性质中,属于化学性质的是()A.强度高B.能导电C.耐腐蚀D.抗震性好6.在炼铁反应:Fe2O3+3CO2Fe+3CO2中,还原剂是()A.Fe2O3B.COC.FeD.CO27.农作物生长需要氮、磷、钾等营养元素,下列化肥中属于复合肥料的是()A.硝酸钾B.草木灰C.肥田粉D.重过磷酸钙8.硝酸铵(NH4NO3)是一种化肥,其中氮元素的化合价()A.均为+1B.分别为-4、+6C.分别为-3、+5D.分别为-4、+59.金属化合物的焰色反应呈现的色彩丰富多样,灼烧钠盐时,火焰的颜色呈()A.蓝色B.黄色C.绿色D.紫色10.农业上可用来中和土壤酸性,改良土壤结构的物质是()A.石碱B.烧碱C.熟石灰D.氨水11.某新型“防盗玻璃”为多层结构,每层中间嵌有极细的金属线,当玻璃被击碎时,与金属线相连的警报系统就会立刻报警。“防盗玻璃”能报警,这利用了金属的()A.延展性B.导热性C.弹性D.导电性12.鉴别稀盐酸和稀硫酸,可选用的试剂是()A.硝酸银溶液B.石蕊试液C.硝酸钡溶液D.氧化铜13.若金属锰(Mn)在金属活动性顺序中位于铝和锌之间,则下列反应不正确的是()A.Mn+H2SO4→MnSO4+H2↑B.Mg+MnSO4→MgSO4+MnC.Fe+MnSO4→FeSO4+MnD.Mn+CuSO4→MnSO4+Cu14.化学方程式是重要的化学用语,正确的化学方程式是()A.4Fe+3O22Fe2O3B.CO+CuOCu+CO2↑C.Fe+Hg(NO3)2→Fe(NO3)2+HgD.2NaOH+SO2→Na2SO4+H215.物质的性质决定其用途。有关物质的用途不正确的是()A.用烧碱溶液吸收二氧化硫尾气B.明矾用作水的消毒剂C.用胆矾、生石灰与水配制农药D.食盐水用于清洗伤口16.下列图示“错误操作”与图下面“可能产生的后果”不一致的是()A.沾污滴管B.滤液溅出C.量筒受损D.试剂外流17.“物质的量”是国际单位制中的一个基本物理量,下列有关说法正确的是()A.28gN2含1mol氮B.1molO2约含6.02×1023个氧原子C.1molCO2含有3mol原子D.H2O的摩尔质量是1818.达菲(C16H31N2PO8)是用莽草酸合成的治疗H1N1流感的良药。下列说法正确的是()A.达菲由5个元素组成B.达菲由58个原子构成C.达菲中氮、氢原子个数比是31∶28D.达菲中碳元素的质量分数最大19.下列图像对应叙述关系正确的是()A.向pH=3的溶液中加水B.一定质量的稀盐酸与锌粒反应C.向H2SO4和CuSO4混合溶液中加NaOH溶液D.煅烧一定质量的石灰石20.将质量相等的铝粉和铁粉分别与同体积、同浓度的稀硫酸反应,反应情况如下图所示。有关叙述中正确的是()A.铝粉、铁粉和硫酸反应后均有剩余B.铝粉、铁粉均反应完,硫酸有剩余C.硫酸、铁粉均反应完,铝粉有剩余D.硫酸、铝粉均反应完,铁粉有剩余二.填空题(共18分)21.生活中处处有化学,通过学习已经知道:(1)温度计中的水银是一种金属,其元素名称是。(2)Na2CO3的水溶液可用于洗涤油污,其水溶液能使酚酞试液变色。(3)尿素〔CO(NH2)2〕是一种优质高效氮肥,其中氮元素的质量分数是。(4)蚊子体内含有的甲酸是一种一元有机含氧酸,被蚊子叮咬后可涂肥皂水止痒,则室温时肥皂水的pH7(填“>”、“<”或“=”)。22.生石灰放入水中,得到的石灰乳是不均一、不稳定的悬浊液。(1)石灰乳中固态物质的化学式为____________。(2)石灰乳经过,可得到澄清的饱和石灰水。(3)在饱和石灰水中加入生石灰,冷却至原温度,下列各项发生减少的是(填序号)。A.溶质的质量B.溶液的pHC.溶解度D.溶质质量分数(4)只用一种试剂鉴别石灰水、烧碱溶液和稀硫酸,这种试剂是,有关的化学方程式是、。23.将一定溶质质量分数的浓盐酸盛于烧杯中,敞口放置在实

新槐****公主
实名认证
内容提供者


最近下载
一种胃肠道超声检查助显剂及其制备方法.pdf
201651206021+莫武林+浅析在互联网时代下酒店的营销策略——以湛江民大喜来登酒店为例.doc
201651206021+莫武林+浅析在互联网时代下酒店的营销策略——以湛江民大喜来登酒店为例.doc
用于空间热电转换的耐高温涡轮发电机转子及其装配方法.pdf
用于空间热电转换的耐高温涡轮发电机转子及其装配方法.pdf
用于空间热电转换的耐高温涡轮发电机转子及其装配方法.pdf
用于空间热电转换的耐高温涡轮发电机转子及其装配方法.pdf
用于空间热电转换的耐高温涡轮发电机转子及其装配方法.pdf
用于空间热电转换的耐高温涡轮发电机转子及其装配方法.pdf
论《离骚》诠释史中的“香草”意蕴.docx