




如果您无法下载资料,请参考说明:
1、部分资料下载需要金币,请确保您的账户上有足够的金币
2、已购买过的文档,再次下载不重复扣费
3、资料包下载后请先用软件解压,在使用对应软件打开
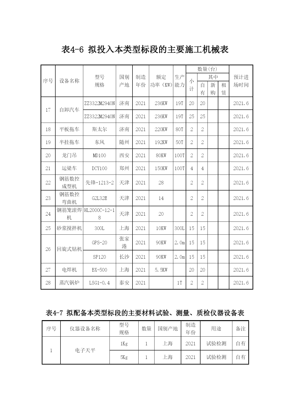
高速公路资格预审投入机械设备表大全优质资料 (可以直接使用,可编辑优质资料,欢迎下载) 表4-6拟投入本类型标段的主要施工机械表 序号设备名称型号 规格国别 产地制造年份额定 功率(KW)生产 能力数量(台)预计进 场时间小计其中自有新购租赁1平地机PQ190Ⅱ长沙2021197KW3.96m222021.62振动压路机3625HT北京2021173KW25T442021.63装载机ZL50C临沂2021154KW3m3222021.6ZL50D济宁2021154KW3m3222021.6ZL50E徐州2021154KW3m3222021.64挖掘机3Y425C1日本2021235KW2.0m3222021.63Y425C1日本2021235KW2.0m3222021.6PC450-8日本2021257KW2.1m3442021.65推土机SD23济宁2021230KW3.73m332021.6TY230徐州2021230KW3.73m332021.66汽车起重机QY60K徐州2021266KW60T112021.6QY25F泰安2021206KW25T222021.67架桥机DF50/150郑州202190KW150T112021.6HZQ40-120B郑州202175KW120T112021.68智能真空压浆设备SQL90河北20214KW9m3/h222021.6LZJS10湖南202117KW2.5m3/h222021.6空压机VW-9/14苏州202114m3222021.6潜孔钻机KQ150宣化202158.5kw222021.6空气压缩机ZY9/7天津20219m3/min222021.6风钻AD-106R宁波202110mm222021.6 表4-6拟投入本类型标段的主要施工机械表 序号设备名称型号 规格国别 产地制造年份额定 功率(KW)生产 能力数量(台)预计进 场时间小计其中自有新购租赁9水泥混凝土 拌和站HZS120D方圆202115000KW120m3/h112021.6HZS120D方圆202115000KW120m3/h112021.6HZS75B方圆20211500 KW75m3/h222021.610混凝土泵车ZLJ5110THB长沙2021112KW84m3/h222021.6混凝土输送泵HBT80徐州2021191KW80m3/h112021.611智能预应力 张拉设备YD200开封2021200T442021.6YD30开封202130T442021.6TLZN-50开封2021400T442021.612水泥砼自动搅拌运输车SY5250GJB3长沙2021240KW8m3552021.6XZQ5280GJB-7徐州2021220KW7m3332021.613大型二次衬砌模板台车2021.62021.614发电机HX-250GF潍坊2021250KW250KW112021.6HX-200GF潍坊2021200KW200KW222021.615压路机XSM222徐州2021136KW22T222021.6XSM220徐州2021128KW20T112021.6YTZ30郑州2021220KW30KJ222021.616洒水车SZQ5140GSS北京2021180KW12000L332021.6SZQ9170GSS北京2021160KW10000L222021.6表4-6拟投入本类型标段的主要施工机械表 序号设备名称型号 规格国别 产地制造年份额定 功率(KW)生产 能力数量(台)预计进 场时间小计其中自有新购租赁17自卸汽车ZZ3322M2940N济南2021236KW19T20202021.6ZZ3322M2940N济南2021236KW19T25252021.618平板拖车斯太尔济南2021220KW80T222021.619半挂拖车东风随州2021192KW50T222021.620龙门吊MD100西安202180KW100T222021.621运梁车DCY100郑州2021150KW100T442021.622钢筋数控 成型机先锋-1213-2天津202128222021.623钢筋数控 弯曲机G2L32E天津202114222021.624钢筋笼滚焊机HL2000C-12-18天津202120222021.625砂浆搅拌机300L上海202110KW300L15152021.626回旋式钻机GPS-20张家港202190KW2.0m15152021.6SP120长沙202190KW2.0m15152021.627电焊机BX-500上海20215.5KW20202021.628蒸汽锅炉LSG1-0.4泰安20211T222021.6 表4-7拟配备本类型标段的主要材料试验、测

天马****23
实名认证
内容提供者


最近下载
一种胃肠道超声检查助显剂及其制备方法.pdf
201651206021+莫武林+浅析在互联网时代下酒店的营销策略——以湛江民大喜来登酒店为例.doc
201651206021+莫武林+浅析在互联网时代下酒店的营销策略——以湛江民大喜来登酒店为例.doc
用于空间热电转换的耐高温涡轮发电机转子及其装配方法.pdf
用于空间热电转换的耐高温涡轮发电机转子及其装配方法.pdf
用于空间热电转换的耐高温涡轮发电机转子及其装配方法.pdf
用于空间热电转换的耐高温涡轮发电机转子及其装配方法.pdf
用于空间热电转换的耐高温涡轮发电机转子及其装配方法.pdf
用于空间热电转换的耐高温涡轮发电机转子及其装配方法.pdf
论《离骚》诠释史中的“香草”意蕴.docx