试题-山东-2017_山东省广饶县广饶街道颜徐学校中考化学专题复习 第4单元 身边的化学物质 第10讲 溶解度曲线及其应用(无答案).doc
立即下载






如果您无法下载资料,请参考说明:
1、部分资料下载需要金币,请确保您的账户上有足够的金币
2、已购买过的文档,再次下载不重复扣费
3、资料包下载后请先用软件解压,在使用对应软件打开
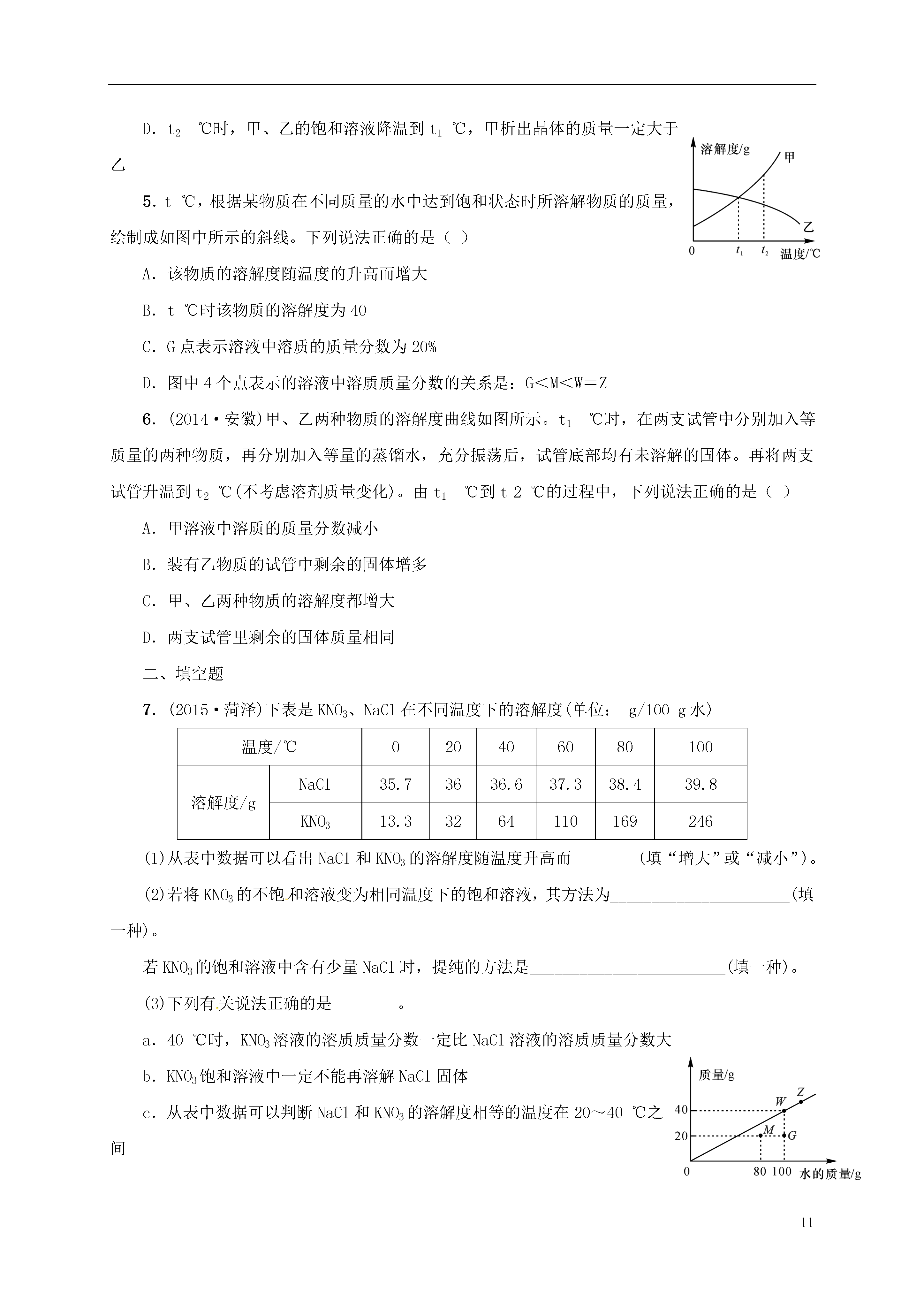
11专题溶解度曲线及其应用一、溶解度曲线的意义1.溶解度曲线上的每个点表示的是某温度下某种物质的溶解度,即曲线上的任意一点都对应有相应的温度和溶解度。2.溶解度曲线表示某物质在不同温度下的溶解度或溶解度随温度的变化情况。曲线的坡度越大,说明溶解度受温度影响越大;反之,说明受温度影响较小。3.两条溶解度曲线的交点表示该点所示的温度下两物质的溶解度相同,此时两种物质饱和溶液的溶质质量分数也相同。4.在溶解度曲线上的每一个点都表示溶质在某温度下的溶解度,此时的溶液必然是恰好饱和的溶液;在溶解度曲线下方的点,则表示溶液是不饱和溶液;在溶解度曲线上方的点,则表示未溶解的溶质与饱和溶液共存的混合物或过饱和溶液。二、溶解度曲线的应用1.溶解度曲线上的点有三个方面的作用:(1)根据已知温度查出有关物质的溶解度;(2)根据物质的溶解度查出对应的温度;(3)比较相同温度下不同物质溶解度的大小或者饱和溶液中溶质的质量分数的大小。2.溶解度曲线也有三个方面的应用:(1)根据溶解度曲线,可以看出物质的溶解度随着温度的变化而变化的情况;(2)根据溶解度曲线,比较在一定温度范围内的物质的溶解度大小;(3)根据溶解度曲线,选择分离某些可溶性混合物的方法。3.如果要使不饱和溶液(曲线下方的一点)变成对应温度下的饱和溶液,方法有两种:第一种方法是向该溶液中添加溶质使之到达曲线上;第二种方法是蒸发一定量的溶剂。类型1溶解度曲线的意义(2015·东营)如图是甲、乙两种固体物质的溶解度曲线。据图回答:(1)P点的含义是________________________。(2)要使接近饱和的甲溶液变成饱和溶液,可采用的方法有___________________(写出一种),当甲中含有少量乙时,可采用________________________的方法提纯甲。(3)30℃时,将40g甲物质放入盛有50g水的烧杯中,所得溶液溶质的质量分数为________。若将烧杯内物质升温到50℃(不考虑水蒸发),溶液中变化的是________(选填序号)。a.溶剂的质量b.溶液的质量c.溶质的质量分数(4)从图中还可获得的信息是_____________________________________________________(答出一条)。思路点拨:(1)P点在甲物质的溶解度曲线上,对应温度为30℃,表示的是30℃时甲物质的溶解度为60g。(2)由溶解度曲线可知,甲物质的溶解度随温度的升高而迅速增大,乙物质的溶解度受温度影响变化不大,所以使接近饱和的甲溶液变成饱和溶液,可以采用的方法有降低温度、增加溶质;当甲中含有少量乙时,可采用降温结晶(或冷却热饱和溶液)的方法提纯甲。(3)30℃时,将40g甲物质放入盛有50g水的烧杯内,最多溶解30g,烧杯中有10g未溶固体,所得溶液的溶质质量分数为eq\f(30g,30g+50g)×100%=37.5%;若将烧杯内物质升温到50℃,甲物质的溶解度增大,杯内未溶固体溶解,溶剂质量不变,溶解质量增加,溶质的质量分数增大。(4)图中表示的信息可以根据溶解度曲线表示的意义回答,如甲、乙两物质的溶解度受温度变化的影响,比较某一温度时两物质溶解度的大小,两物质溶解度曲线的交点表示的意义等。对于溶解度曲线应该弄清以下几点:①在正确理解溶解度的概念的基础上会看溶解度曲线;②物质的溶解度随温度升高而增大或变化不大或反而减小;③不同曲线交点的意义;④在某一范围内,物质的溶解度随温度的变化情况;⑤可以根据溶解度随温度变化情况找到提纯物质的方法是蒸发溶剂法还是冷却热饱和溶液法;⑥曲线上的每一个点代表该处的溶液为饱和溶液,曲线下方的每一点都为不饱和溶液,从而能找出不饱和溶液变饱和溶液的方法,即是加溶质还是降低温度等方法。类型2溶解度曲线的应用(2015·雅安)甲物质的溶液可用作化肥、电镀液等。甲的溶解度曲线如图所示,下列说法正确的是()A.甲的溶解度是102.5gB.甲的溶解度随温度的升高而增大C.20℃时,100g甲的饱和溶液中溶质质量为28.6gD.将70℃时甲的饱和溶液升高温度或降低温度,都有晶体析出思路点拨:甲的溶解度是102.5g是错误的,因为没有指明温度;甲固体物质的溶解度,在0~70℃时,是随温度升高而增大,而大于70℃时,溶解度随温度的升高而减少;20℃时,128.6g甲的饱和溶液中溶质质量为28.6g,不是100g;因为甲在0~70℃时,溶解度是随温度升高而增大,而大于70℃时,溶解度随温度的升高而减少,所以将70℃时甲的饱和溶液升高温度或降低温度,都有晶体析出。一、选择题1.(2015·厦门)甲、乙两种物质的溶解度曲线如图所示。下列说法正确的是()A.t1℃时

长春****主a
实名认证
内容提供者


最近下载
一种胃肠道超声检查助显剂及其制备方法.pdf
201651206021+莫武林+浅析在互联网时代下酒店的营销策略——以湛江民大喜来登酒店为例.doc
201651206021+莫武林+浅析在互联网时代下酒店的营销策略——以湛江民大喜来登酒店为例.doc
用于空间热电转换的耐高温涡轮发电机转子及其装配方法.pdf
用于空间热电转换的耐高温涡轮发电机转子及其装配方法.pdf
用于空间热电转换的耐高温涡轮发电机转子及其装配方法.pdf
用于空间热电转换的耐高温涡轮发电机转子及其装配方法.pdf
用于空间热电转换的耐高温涡轮发电机转子及其装配方法.pdf
用于空间热电转换的耐高温涡轮发电机转子及其装配方法.pdf
论《离骚》诠释史中的“香草”意蕴.docx