



如果您无法下载资料,请参考说明:
1、部分资料下载需要金币,请确保您的账户上有足够的金币
2、已购买过的文档,再次下载不重复扣费
3、资料包下载后请先用软件解压,在使用对应软件打开
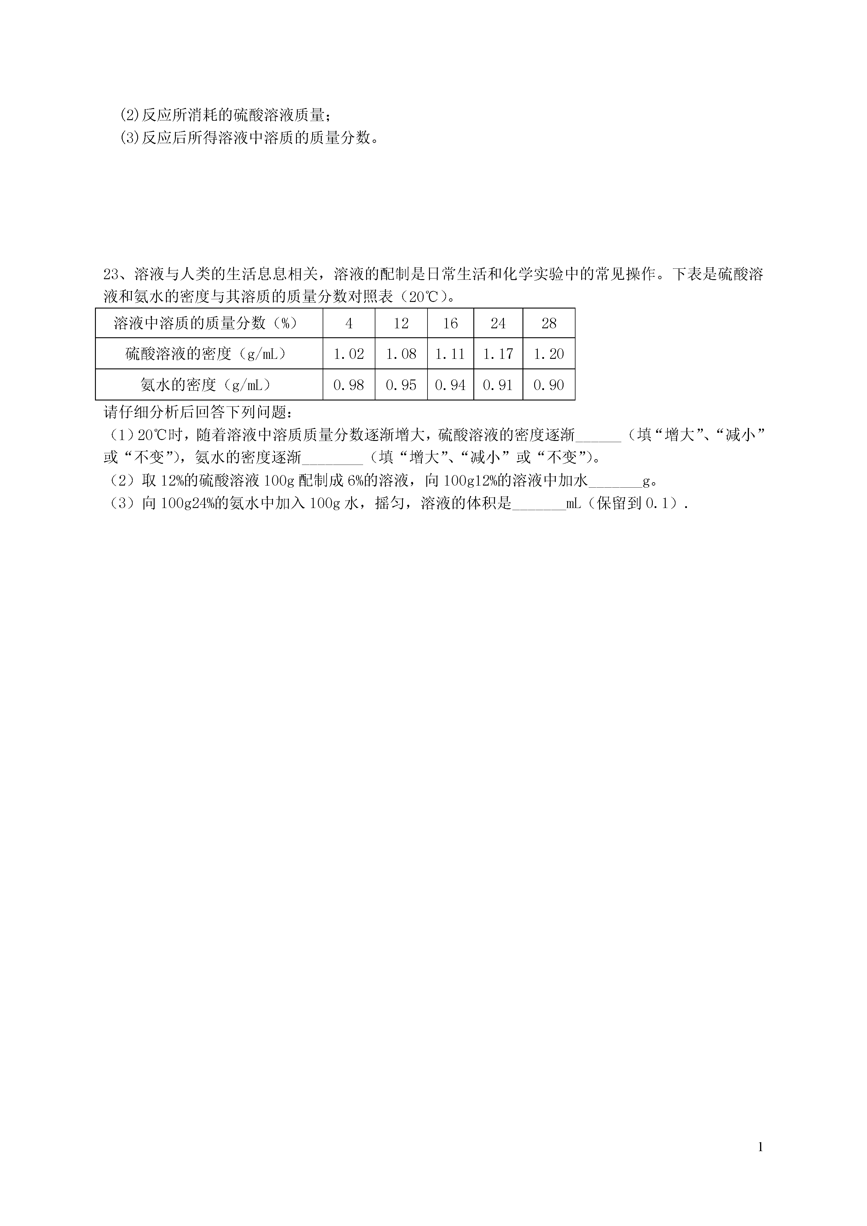
1第九单元溶液可能用到的相对原子质量:H1O16C12Ca40S32Cl35.5Fe56Zn65一、选择题1.下列物质分别加入适量水中充分搅拌,不能得到溶液的是()A.糖B.食盐C.氢氧化钠D.花生油2、下列有关溶液的叙述中,正确的是()A.溶液一定是混合物B.溶液中一定含有水C.溶液都是无色透明的D.凡是均一、稳定的液体一定是溶液3、市场上有一种俗称“摇摇冰”的罐装饮料,在饮料罐的夹层中分别装入一种固体物质和水,饮用前摇动使它们混合,罐内饮料温度就会降低。这种固体物质可能是()A、熟石灰B、氢氧化钠C、食盐D、硝酸铵4、下列生活中的现象,与物质溶解性无关的是()A.揭开啤酒瓶盖,有大量气泡溢出B.盛石灰水的瓶口有一层白膜C.咸菜长期放置在空气中,表面有一层“白霜”D.烧开水时,沸腾前有大量气泡5、t℃时,向硝酸钠饱和溶液中加入一定量的水后,有关叙述正确的是()A.仍为饱和溶液B.溶质的质量变小C.溶质的溶解度不变D.溶质的质量分数不变6、通过对溶液的学习,下列说法正确的是()A.将10%的硝酸钾溶液倒出一半,剩余溶液中溶质的质量分数仍为10%B.热糖水降低温度后有固体析出,则原热糖水一定是饱和溶液C.可以用冷却海水的方式得到氯化钠固体D.配制溶液时,搅拌可以增大溶质的溶解度7、.天热的时候把半杯糖水(蔗糖已全部溶解)放进冰箱的冷藏室,过一段时间后发现杯底出现了部分蔗糖晶体。对于这一现象的认识不正确的是()A.未放入冰箱前的糖水一定是饱和溶液B.降低温度可从糖水中获得蔗糖晶体C.放入冰箱前蔗糖的质量分数比放入冰箱后大D.温度降低后蔗糖的溶解度变小8、20℃时,向一盛有40g氯化钠的烧杯内加入100g水,充分搅拌后静置,烧杯底部有未溶解的氯化钠固体,过滤得到4g固体和澄清溶液。有关叙述错误的是()A.该溶液中溶质的质量等于36gB.20℃时氯化钠在水中的溶解度为36gC.该溶液中溶质的质量分数等于36%D.加水后该溶液变为不饱和溶液9.医院里常用溶质分数为5%的双氧水(H2O2)溶液清洗受伤病人的伤口,若要配制5%的双氧水溶液600g,需要30%的高浓度双氧水的质量为()A.30gB.100gC.200gD.400g10.向一接近饱和的KNO3溶液中,逐渐加KNO3晶体,下列图象中符合溶液中溶质质量变化规律的是()0t1t2温度/℃溶解度\gABa11、右图是A、B两种固体物质的溶解度曲线中错误的是()a100A.t1℃时A、B的溶解度相等B.t2℃时,A的饱和溶液中溶质的质量分数为×100%C.A、B的溶解度都随温度升高而增大D.将t2℃时B的饱和溶液降温到t1℃时,溶液变稀了12、化学中常出现“1+1≠2”的有趣现象,但也有例外。下列符合“1+1=2”的事实是()A.20℃,1L水与1L酒精混合后的体积等于2LB.20℃,1g镁与1g稀硫酸充分反应后所得的溶液质量为2gC.20℃,1g硫粉在1g氧气中完全燃烧后生成2g二氧化硫D.20℃,1g硝酸钾饱和溶液中加入1g硝酸钾固体能得到2g硝酸钾溶液选择题答案填写在下列表格中题号123456789101112答案海水淡水图6-2淡化膜二、填空题13、海水淡化可采用膜分离技术。如图所示,对淡化膜右侧加压,水分子透过淡化膜进入左侧淡水池,而海水中的各种离子不能通过淡化膜,从而得到淡水。对加压后右侧海水成分进行分析,并将结果填入空格。溶质的质量(填“变大”、“变小”、“不变”,下同);溶剂的质量;溶液的质量;溶质的质量分数。14、将20ml水倒人装有20mL95%的酒精的烧杯中,混合均匀后体积为VmL。再将一块手帕浸入该溶液中,用镊子夹起手帕,点燃手帕上的酒精,当手帕上的火焰即将熄灭时,将手帕晃动几下,火熄灭,手帕完好无损。1)混合后的溶液中溶质是,溶剂是;(2)混合后的体积VmL40ml(填“>”或“<”或“=”),原因是。15、下图甲是A、B、C三种固体物质的溶解度曲线图。(1)甲图中,t2℃时,A、B、C三种物质中,溶解度最大的是。P点所表示的含义为__________________________________________________________。(2)t℃时,将B物质的不饱和溶液转变成饱和溶液可采取的方法__________________。(3)如乙图所示,20℃时,把试管放入盛有X的饱和溶液的烧杯中,在试管中加入几小段镁条,再加入5mL稀盐酸,立即产生大量的气泡,同时烧杯中出现浑浊,则X可能为A、B、C三种固体物质中的哪一种?。16.将一块塑料板放入500C的硝酸钾饱和溶液中,塑料板漂浮于液面上(如图)。若将溶液

新槐****公主
实名认证
内容提供者


最近下载
一种胃肠道超声检查助显剂及其制备方法.pdf
201651206021+莫武林+浅析在互联网时代下酒店的营销策略——以湛江民大喜来登酒店为例.doc
201651206021+莫武林+浅析在互联网时代下酒店的营销策略——以湛江民大喜来登酒店为例.doc
用于空间热电转换的耐高温涡轮发电机转子及其装配方法.pdf
用于空间热电转换的耐高温涡轮发电机转子及其装配方法.pdf
用于空间热电转换的耐高温涡轮发电机转子及其装配方法.pdf
用于空间热电转换的耐高温涡轮发电机转子及其装配方法.pdf
用于空间热电转换的耐高温涡轮发电机转子及其装配方法.pdf
用于空间热电转换的耐高温涡轮发电机转子及其装配方法.pdf
论《离骚》诠释史中的“香草”意蕴.docx