




如果您无法下载资料,请参考说明:
1、部分资料下载需要金币,请确保您的账户上有足够的金币
2、已购买过的文档,再次下载不重复扣费
3、资料包下载后请先用软件解压,在使用对应软件打开
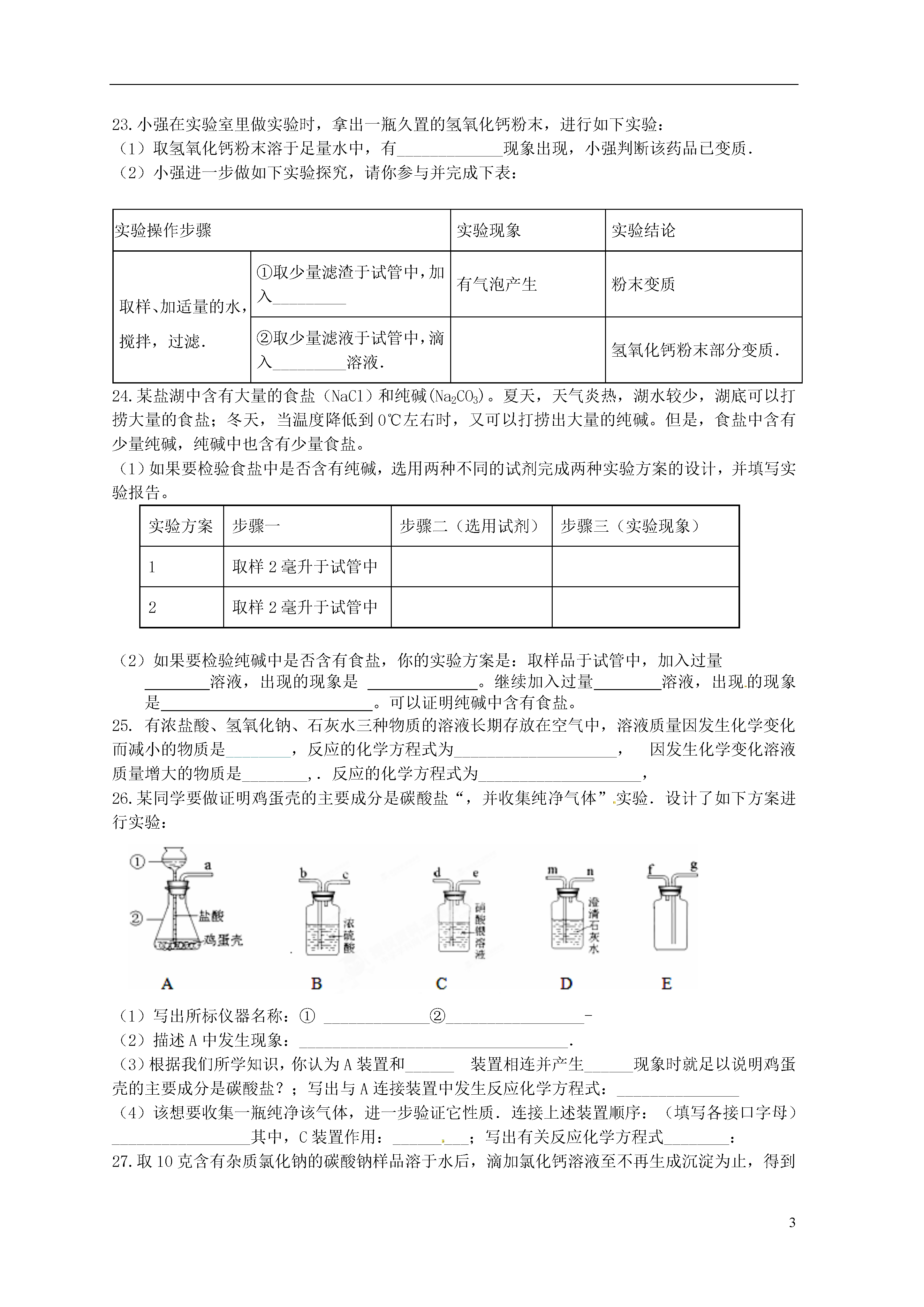
3广东省深圳市文汇中学九年级化学下册《第1章几种重要的盐》练习新人教版1.(2012•长沙)根据下列各组提供的试剂,判断不能发生反应的一组是()A.Na2SO4溶液和Ba(NO3)2溶液B.NaOH溶液和稀硫酸C.KNO3溶液和CaCl2溶液D.Na2CO3溶液和稀盐酸2.用下列方法鉴别各组无色溶液,能够达到目的是()待鉴别溶液试剂(均为溶液)A稀HCl和稀H2SO4AgNO3BHCl、NaOH和KNO3酚酞CAgNO3和Na2SO4BaCl2DCa(OH)2、NaOH、稀硫酸Na2CO33.对下列实验过程的评价,正确的是()A.向某固体中滴加稀盐酸,有气泡产生,该固体一定是碳酸盐B.在无色溶液中滴入酚酞试液,溶液变红色,该溶液一定是碱溶液C.生石灰块投入水中,水会沸腾,生石灰变成熟石灰的过程是放热反应D.用小木棍蘸少量浓硫酸,小木棍变黑--浓硫酸有吸水性4.化肥中的氮肥很多是铵盐.已知氨气通入水中后,其溶液呈碱性.将硫酸铵和氢氧化钙混合后放入试管加热,用湿润的红色石蕊试纸放在试管口,湿润红色石蕊试纸会变蓝色,这是检验铵盐的方法.上述实验现象说明()A.铵盐和碱的反应是属于复分解反应类型B.氨气比空气轻C.能使红色石蕊试纸变蓝色就是氨气D.铵盐能和碱反应放出氨气5.以下对实验现象的分析合理的是()①向某无色溶液中滴入紫色石蕊试液,溶液变蓝色,证明该溶液呈碱性②向某无色溶液中滴入氯化钡溶液,产生白色沉淀,证明该溶液是硫酸溶液③某白色固体与熟石灰混合后加热,产生可使湿润的pH试纸变蓝色的气体,证明该固体是铵盐④把燃着的木条伸入某无色气体的集气瓶中,火焰熄灭,证明该气体是二氧化碳.A.①③B.③④C.①④D.①②③④7.检验某物质中是否含有铵根离子,可以使用的一组试剂是()A.稀盐酸、红色石蕊试纸B.NaOH溶液、蓝色石蕊试纸C.稀盐酸、蓝色石蕊试纸D.氢氧化钠溶液、红色石蕊试纸8.下列属于复合肥的是A.磷酸二氢钙(Ca(H2PO4)2)B.磷酸钾(K3PO4)C.氯化钾(KCl)D.硝酸铵(NH4NO3)9.铜、汞、铅等重金属盐能使人中毒,如误入口应采取急救措施是A.喝大量蒸馏水B.喝大量盐水C.喝大量鸡蛋清D.喝大量葡萄糖水10..一医用含钾化合物的水溶液能跟硝酸银溶液反应生成不溶于稀硝酸的白色沉淀。该化合物是A.KNO3B.K2CO3C.KClD.KOH11.除去硝酸溶液中少量的盐酸,应该在溶液中加适量的A.AgNO3溶液B.BaCl2溶液C.Ba(NO3)2溶液D.CaCO3粉末12.用废旧书报包装食品,会引起食品污染,这是由于印刷书报的油墨中含有A.汞化物有害物质B.砷化物C.铜盐有害物质D.铅的有害物质13.分别将下列各组物质同时加入水中,能得到无色透明溶液的是()A.KCl、NaOH、CuSO4B.Na2CO3、Ca(OH)2、NaNO3C.NaOH、KNO3、NaClD.Ba(NO3)2、K2SO4、NaCl14.下列各组物质的溶液混合后,所得溶液一定能使无色酚酞溶液变成红色的是()A.KCl、Ba(NO3)2、KNO3B.BaCl2、KCl、H2SO4C.KOH、KNO3、HClD.Ca(OH)2、KNO3、Na2CO315.下列各组物质,能共同存在于水溶液中的是()A.BaCl2、Na2SO4、Ca(OH)2B.MgCl2、CuSO4、NaNO3C.AgNO3、BaCl2、K2SO4D.CaCl2、K2CO3、NaNO316.下列各组溶液混合,能发生复分解反应,且无沉淀又无气体产生的是()A.NaCl和HClB.Na2CO3和HClC.NaOH和HClD.Na2CO3和Ca(OH)2有一包固体粉末,可能由CaCO3、Na2SO4、KNO3、CuSO4、BaCl2中的一种或几种组成,做实验得以下结果:(1)将此固体粉末加到水中,得到白色沉淀,且上层清液为无色;(2)该白色沉淀部分溶于稀硝酸,并有无色气体产生.据此实验,得出的下列判断中正确的是A.粉末中一定含有CaCO3、Na2SO4、BaCl2B.该粉末中一定不含有KNO3、CuSO4C.该粉末的组成中可能含有KNO3D.该粉末中一定含有Na2SO4、KNO3、BaCl217.某电镀厂排出的污水,其pH<7,并含有硫酸铜.要除去有毒的硫酸铜,时调节pH至中性,可选用下列物质中的()A.生石灰B.氯化钡C.硝酸银D.碳酸钙18.有一种试剂可以一次性区别Ba(NO3)2、AgNO3、K2CO3三种物质的溶液,它是()A.盐酸B.硝酸C.硝酸钠D.氢氧化钠溶液19.如图,几种物质是常见的盐,请回答下列问题.(1)在碳酸钠溶液中滴入氯化钙溶液,现象是________

新槐****公主
实名认证
内容提供者


最近下载
一种胃肠道超声检查助显剂及其制备方法.pdf
201651206021+莫武林+浅析在互联网时代下酒店的营销策略——以湛江民大喜来登酒店为例.doc
201651206021+莫武林+浅析在互联网时代下酒店的营销策略——以湛江民大喜来登酒店为例.doc
用于空间热电转换的耐高温涡轮发电机转子及其装配方法.pdf
用于空间热电转换的耐高温涡轮发电机转子及其装配方法.pdf
用于空间热电转换的耐高温涡轮发电机转子及其装配方法.pdf
用于空间热电转换的耐高温涡轮发电机转子及其装配方法.pdf
用于空间热电转换的耐高温涡轮发电机转子及其装配方法.pdf
用于空间热电转换的耐高温涡轮发电机转子及其装配方法.pdf
论《离骚》诠释史中的“香草”意蕴.docx