




如果您无法下载资料,请参考说明:
1、部分资料下载需要金币,请确保您的账户上有足够的金币
2、已购买过的文档,再次下载不重复扣费
3、资料包下载后请先用软件解压,在使用对应软件打开
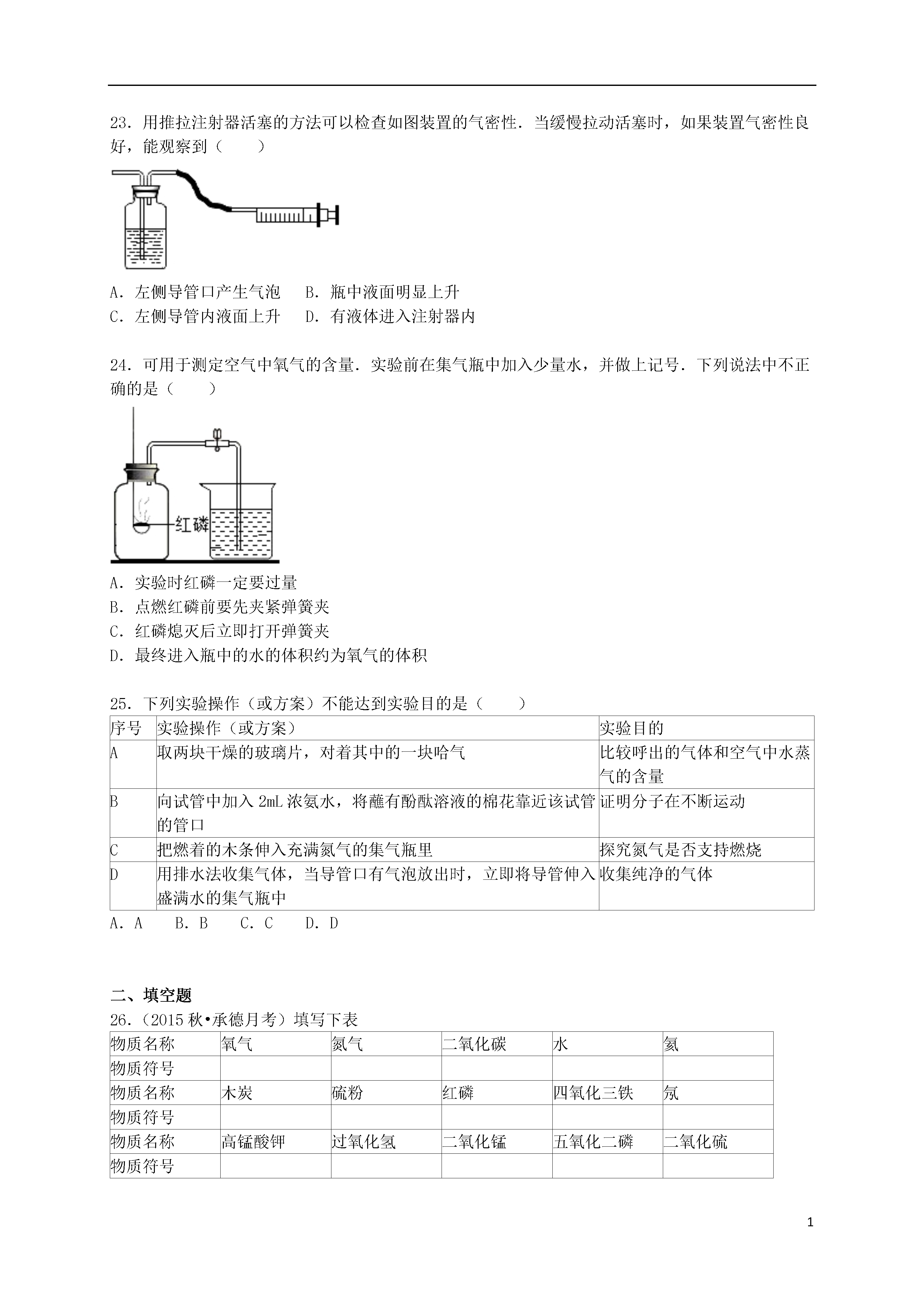
12015-2016学年河北省承德初中九年级(上)月考化学试卷一、选择题1.在日常生活中接触到的下列变化,属于化学变化的是()A.雪糕融化B.煤气燃烧C.粉笔写字D.湿衣晾干2.下列物质属于纯净物的是()A.洁净的空气B.澄清石灰水C.二氧化碳D.生理盐水3.在空气的成分中,体积分数约占78%的是()A.氮气B.氧气C.二氧化碳D.稀有气体4.下列各物质用途中,利用了其物理性质的是()A.氧气用于气焊B.稀有气体做食品保护气C.氧气能供给呼吸D.液态氮气制造低温环境5.下列措施不利于保护空气、改善空气质量的是()A.使用清洁能源B.推广使用无氟冰箱C.鼓励驾驶私家车出行D.植树造林,绿化环境6.造成空气污染的主要污染物是()A.二氧化硫(SO2)、二氧化氮(NO2)、一氧化碳(CO)B.二氧化硫(SO2)、二氧化氮(NO2)、氮气(N2)C.二氧化硫(SO2)、一氧化碳(CO)、氢气(H2)D.二氧化氮(NO2)、一氧化碳(CO)、水蒸气(H2O)7.下列图示中,不是表示氮气的用途的是()A.用于动物的呼吸B.用于超导试验车C.食品的防腐D.做化工原料8.下列关于氧气性质的叙述错误的是()A.通常状况下不易溶于水B.通常状况下密度略大于空气C.在与其它物质的反应中大多表现出可燃性D.通常状况下是无色无味气体9.实验桌上因酒精灯打翻而着火时,最简单、最好的扑灭方法是()A.用嘴吹灭B.用湿抹布盖灭C.用水冲灭D.用灭火器扑灭10.下列反应不属于缓慢氧化的是()A.镁条燃烧B.铁质菜刀生锈C.人的呼吸过程D.农家肥料的腐熟过程11.下列各组物质在氧气中燃烧时,前者有大量白烟生成,后者发白光的是()A.蜡烛、木炭B.红磷、木炭C.铁丝、硫粉D.红磷、铁丝12.用过氧化氢溶液制取氧气时,常常加入二氧化锰,下列叙述正确的是()A.放出的氧气更多B.放出氧气更快C.放出的氧气更纯D.反应后二氧化锰的质量变小13.下图所示的实验操作不正确的是()A.给液体加热B.检查装置气密性C.取粉末状固体颗粒D.加热胆矾固体14.白磷是一种有毒的化学物质,应当存放在贴有下列哪个标识的药品柜里()A.B.C.D.15.能使澄清的石灰水变浑浊的气体是()A.氮气B.氧气C.水蒸气D.二氧化碳16.化学实验室中使用药品时,正确的是()A.品尝无毒的药品B.多取出的液体药品倒回原瓶C.将任意两种药品混合D.使用滴管时不能平放或倒置17.下列事实与氧气化学性质无关的是()A.氧气能使带火星的木条复燃B.氧气可以供给呼吸C.白磷在空气中自燃D.可用向上排空气法收集18.下列化学反应中既不属于化合反应也不属于分解反应的是()A.磷+氧气五氧化二磷B.氧化汞汞+氧气C.氢气+氧气水D.乙炔+氧气二氧化碳+水19.下列叙述中,属于氧气化学性质的是()A.无色无气味B.常温下为气态C.能支持燃烧D.液氧为淡蓝色20.能在酒精灯上直接加热的仪器是()A.试管B.量筒C.烧瓶D.烧杯21.下列气体中能用向上排空气法但不能用排水法收集的气体是()(在标准状况下,空气的密度是1.293g/L)A氧气B氢气C二氧化碳D甲烷标准状况下的密度1.429g/L0.089g/L1.978g/L0.714g/L在水中的溶解性不易溶于水难溶于水能溶于水难溶于水A.AB.BC.CD.D22.鉴别下列各组生活中的物质,括号中选用的试剂或方法,不合理的是()A.酒精和白醋(闻气味)B.白糖和食盐(尝味道)C.水和白醋(看颜色)D.铁和铜(观察颜色)23.用推拉注射器活塞的方法可以检查如图装置的气密性.当缓慢拉动活塞时,如果装置气密性良好,能观察到()A.左侧导管口产生气泡B.瓶中液面明显上升C.左侧导管内液面上升D.有液体进入注射器内24.可用于测定空气中氧气的含量.实验前在集气瓶中加入少量水,并做上记号.下列说法中不正确的是()A.实验时红磷一定要过量B.点燃红磷前要先夹紧弹簧夹C.红磷熄灭后立即打开弹簧夹D.最终进入瓶中的水的体积约为氧气的体积25.下列实验操作(或方案)不能达到实验目的是()序号实验操作(或方案)实验目的A取两块干燥的玻璃片,对着其中的一块哈气比较呼出的气体和空气中水蒸气的含量B向试管中加入2mL浓氨水,将蘸有酚酞溶液的棉花靠近该试管的管口证明分子在不断运动C把燃着的木条伸入充满氮气的集气瓶里探究氮气是否支持燃烧D用排水法收集气体,当导管口有气泡放出时,立即将导管伸入盛满水的集气瓶中收集纯净的气体A.AB.BC.CD.D二、填空题26.(2015秋•

Ro****44
实名认证
内容提供者


最近下载
一种胃肠道超声检查助显剂及其制备方法.pdf
201651206021+莫武林+浅析在互联网时代下酒店的营销策略——以湛江民大喜来登酒店为例.doc
201651206021+莫武林+浅析在互联网时代下酒店的营销策略——以湛江民大喜来登酒店为例.doc
用于空间热电转换的耐高温涡轮发电机转子及其装配方法.pdf
用于空间热电转换的耐高温涡轮发电机转子及其装配方法.pdf
用于空间热电转换的耐高温涡轮发电机转子及其装配方法.pdf
用于空间热电转换的耐高温涡轮发电机转子及其装配方法.pdf
用于空间热电转换的耐高温涡轮发电机转子及其装配方法.pdf
用于空间热电转换的耐高温涡轮发电机转子及其装配方法.pdf
论《离骚》诠释史中的“香草”意蕴.docx