




如果您无法下载资料,请参考说明:
1、部分资料下载需要金币,请确保您的账户上有足够的金币
2、已购买过的文档,再次下载不重复扣费
3、资料包下载后请先用软件解压,在使用对应软件打开
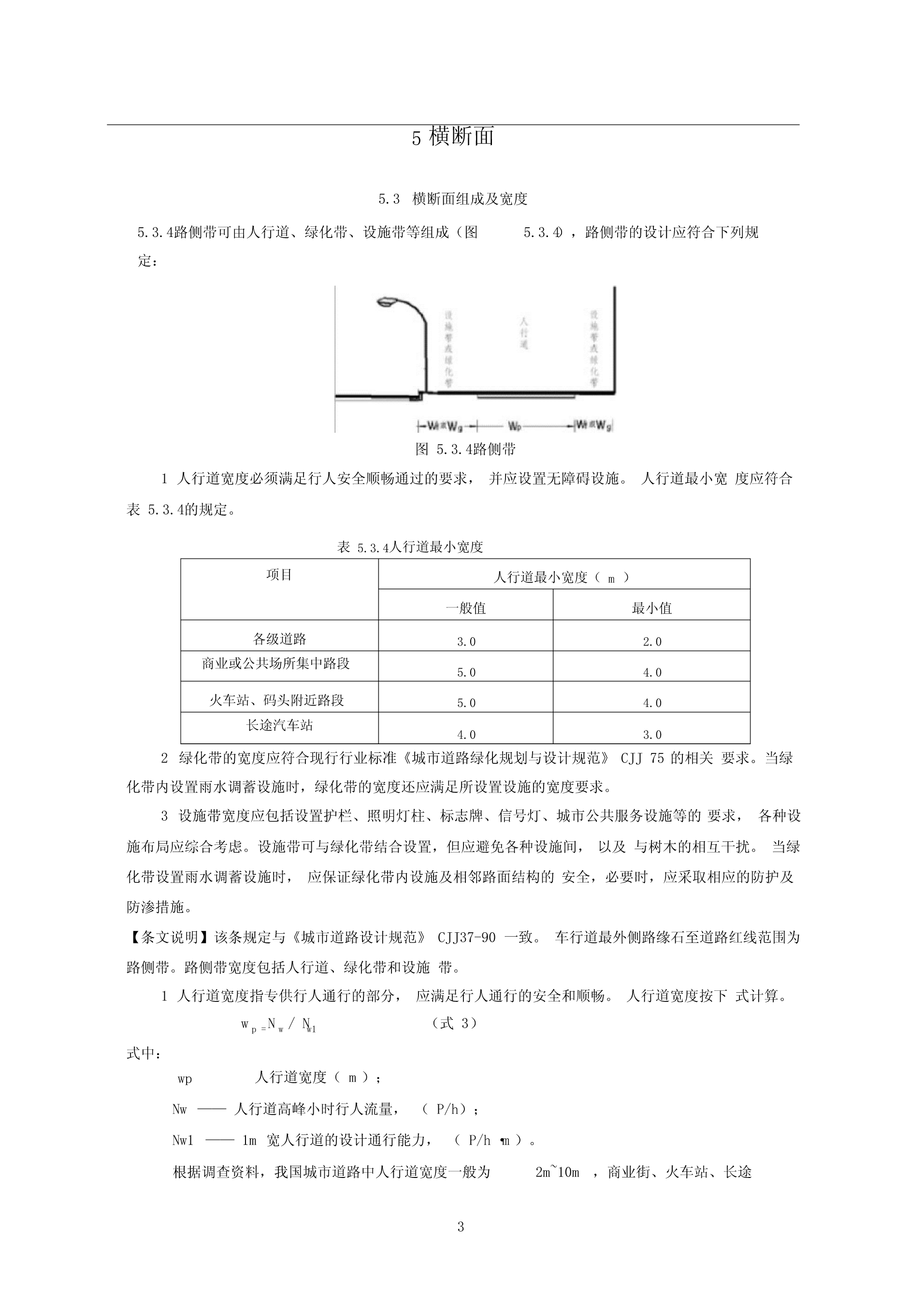
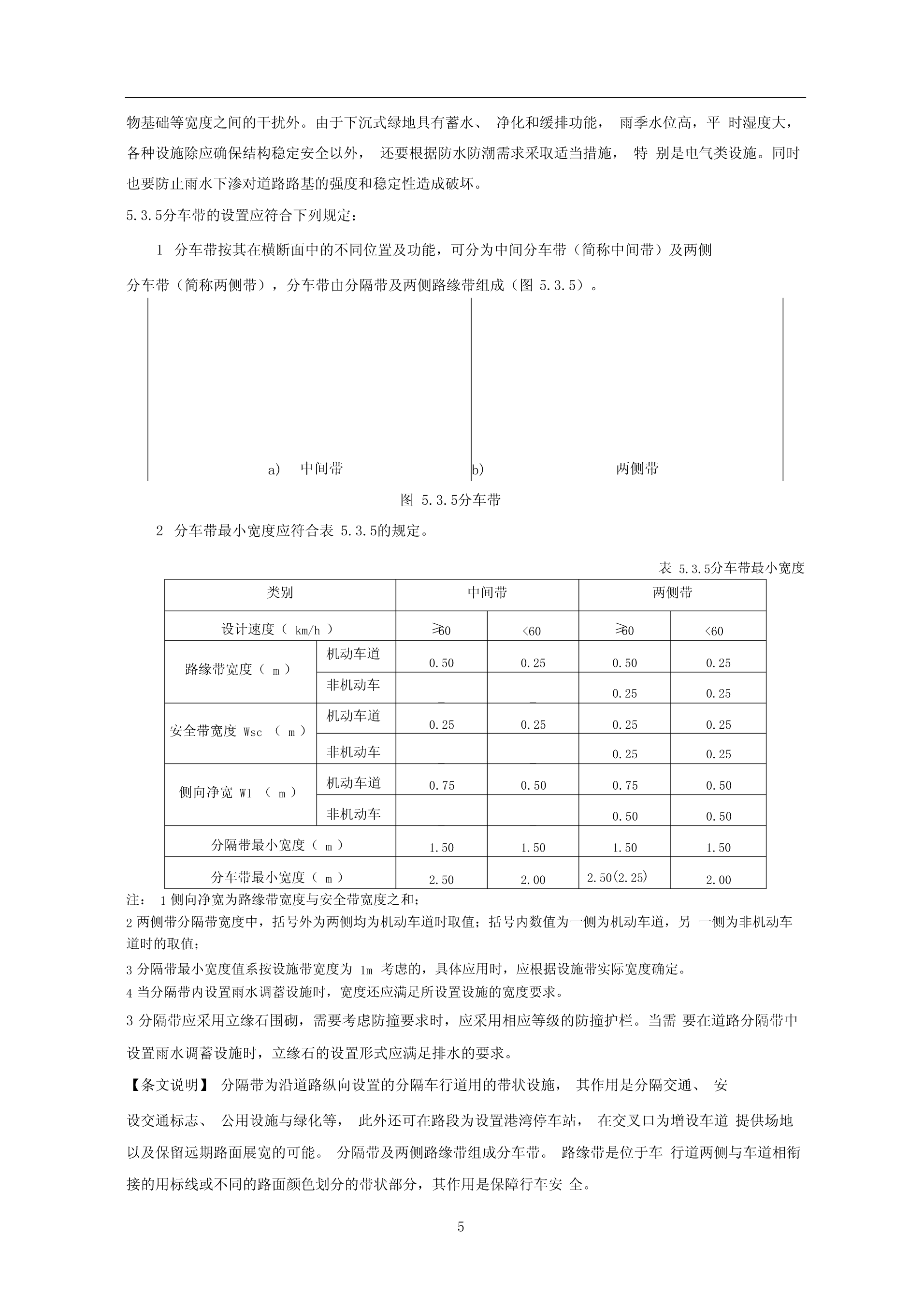
UDCCJJ中华人民共和国行业标准PCJJ37-2012城市道路工程设计规范Codefordesignofurbanroadengineering(2016年版)2012-01-11发布2012-05-01实施中华人民共和国住房和城乡建设部发布1修订说明本次局部修订是根据住房和城乡建设部《关于印发2016年工程建设标准规范制订、修订计划的通知》(建标函[2015]274号)的要求,由北京市市政工程设计研究总院有限公司会同有关单位对《城市道路工程设计规范》CJJ37-2012进行修订而成。本次局部修订依据海绵城市建设对城市道路提出的相关要求,对原有条文中道路分隔带及绿化带宽度、道路横坡坡向、路缘石形式、道路路面以及绿化带入渗及调蓄要求、道路雨水排除原则等相应修改或补充规定。本次局部修订条文合计9条,修订的主要技术内容是:1.补充了需要在道路绿化带或分隔带中设置低影响开发设施时,绿化带或分隔带的宽度要求,以及各种设施间的设计要求。2.增加立缘石的类型和布置型式。3.细化了道路横坡的坡向规定。4.按海绵城市建设的要求补充道路雨水低影响开发设计的原则和要求。5.按《室外排水设计规范》GB50014修订的内容,调整了道路排水采用的暴雨强度的重现期规定。6.补充了低影响开发设施内植物的种植要求。本规范中下划线为修改的内容,用黑体字表示的条文为强制性条文,必须严格执行。本规范由住房和城乡建设部负责管理和对强制性条文的解释,由北京市市政工程设计研究总院有限公司负责具体技术内容的解释。执行过程中如有意见和建议,请寄送北京市市政工程设计研究总院有限公司(地址:北京市海淀区西直门北大街32号3号楼(市政总院大厦),邮政编码:100082)本次局部修订的主编单位、参编单位、主要起草人员、主要审查人员:主编单位:北京市市政工程设计研究总院有限公司参编单位:天津市市政工程设计研究院重庆市设计院主要起草人员:和坤玲王晓华杨斌盛国荣审查人员:张辰包琦玮李俊奇赵锂白伟岚任心欣5横断面5.3横断面组成及宽度5.3.4路侧带可由人行道、绿化带、设施带等组成(图5.3.4),路侧带的设计应符合下列规定:图5.3.4路侧带1人行道宽度必须满足行人安全顺畅通过的要求,并应设置无障碍设施。人行道最小宽度应符合表5.3.4的规定。表5.3.4人行道最小宽度项目人行道最小宽度(m)一般值最小值各级道路3.02.0商业或公共场所集中路段5.04.0火车站、码头附近路段5.04.0长途汽车站4.03.02绿化带的宽度应符合现行行业标准《城市道路绿化规划与设计规范》CJJ75的相关要求。当绿化带内设置雨水调蓄设施时,绿化带的宽度还应满足所设置设施的宽度要求。3设施带宽度应包括设置护栏、照明灯柱、标志牌、信号灯、城市公共服务设施等的要求,各种设施布局应综合考虑。设施带可与绿化带结合设置,但应避免各种设施间,以及与树木的相互干扰。当绿化带设置雨水调蓄设施时,应保证绿化带内设施及相邻路面结构的安全,必要时,应采取相应的防护及防渗措施。【条文说明】该条规定与《城市道路设计规范》CJJ37-90一致。车行道最外侧路缘石至道路红线范围为路侧带。路侧带宽度包括人行道、绿化带和设施带。1人行道宽度指专供行人通行的部分,应满足行人通行的安全和顺畅。人行道宽度按下式计算。wp=Nw/Nw1(式3)式中:wp人行道宽度(m);Nw——人行道高峰小时行人流量,(P/h);Nw1——1m宽人行道的设计通行能力,(P/h·m)。根据调查资料,我国城市道路中人行道宽度一般为2m~10m,商业街、火车站、长途3汽车站附近路段人流密度大,携带的东西多,因此应比一般路段人行道宽。人行道宽度除了满足通行需求外,还应结合道路景观功能,力求与横断面中各部分的宽度协调,各类道路的单侧人行道宽度宜与道路总宽度之间有适当的比例,其合适的比值可参考表6选用。对行人流量大的道路应采用大值。表6单侧人行道宽度与道路总宽度之比值参考表道路类别横断面形式道路类别横断面形式单幅式两幅式三幅式单幅式两幅式三幅式快速路1/6~1/8次干路1/4~1/61/4~1/7主干路1/5~1/71/5~1/8支路1/3~1/52绿化带是指在道路路侧为行车及行人遮阳并美化环境,保证植物正常生长的场地。当种植单排行道树时,绿化带最小宽度为1.5m。3设施带是指在道路两侧为护栏、灯柱、标志牌等公共服务设施等提供的场地。不同设施独立设置时占用宽度见表7。表7不同设施独立设置时占用宽度项目宽度(m)行人护栏0.25~0.5灯柱1.0~1.5邮箱、垃圾箱0.6~1.0长凳、座椅1.0~2.0行道树1.2~1.5根据调查我国各城市设置杆柱的设施带宽度多数为1.0m,有些城市为0.5m~1.5m,考虑有些杆线需设基础,宽度较大,设计时应根据实际情况确定,并可与绿化带结合

17****69
实名认证
内容提供者


最近下载
一种胃肠道超声检查助显剂及其制备方法.pdf
201651206021+莫武林+浅析在互联网时代下酒店的营销策略——以湛江民大喜来登酒店为例.doc
201651206021+莫武林+浅析在互联网时代下酒店的营销策略——以湛江民大喜来登酒店为例.doc
用于空间热电转换的耐高温涡轮发电机转子及其装配方法.pdf
用于空间热电转换的耐高温涡轮发电机转子及其装配方法.pdf
用于空间热电转换的耐高温涡轮发电机转子及其装配方法.pdf
用于空间热电转换的耐高温涡轮发电机转子及其装配方法.pdf
用于空间热电转换的耐高温涡轮发电机转子及其装配方法.pdf
用于空间热电转换的耐高温涡轮发电机转子及其装配方法.pdf
论《离骚》诠释史中的“香草”意蕴.docx