




如果您无法下载资料,请参考说明:
1、部分资料下载需要金币,请确保您的账户上有足够的金币
2、已购买过的文档,再次下载不重复扣费
3、资料包下载后请先用软件解压,在使用对应软件打开
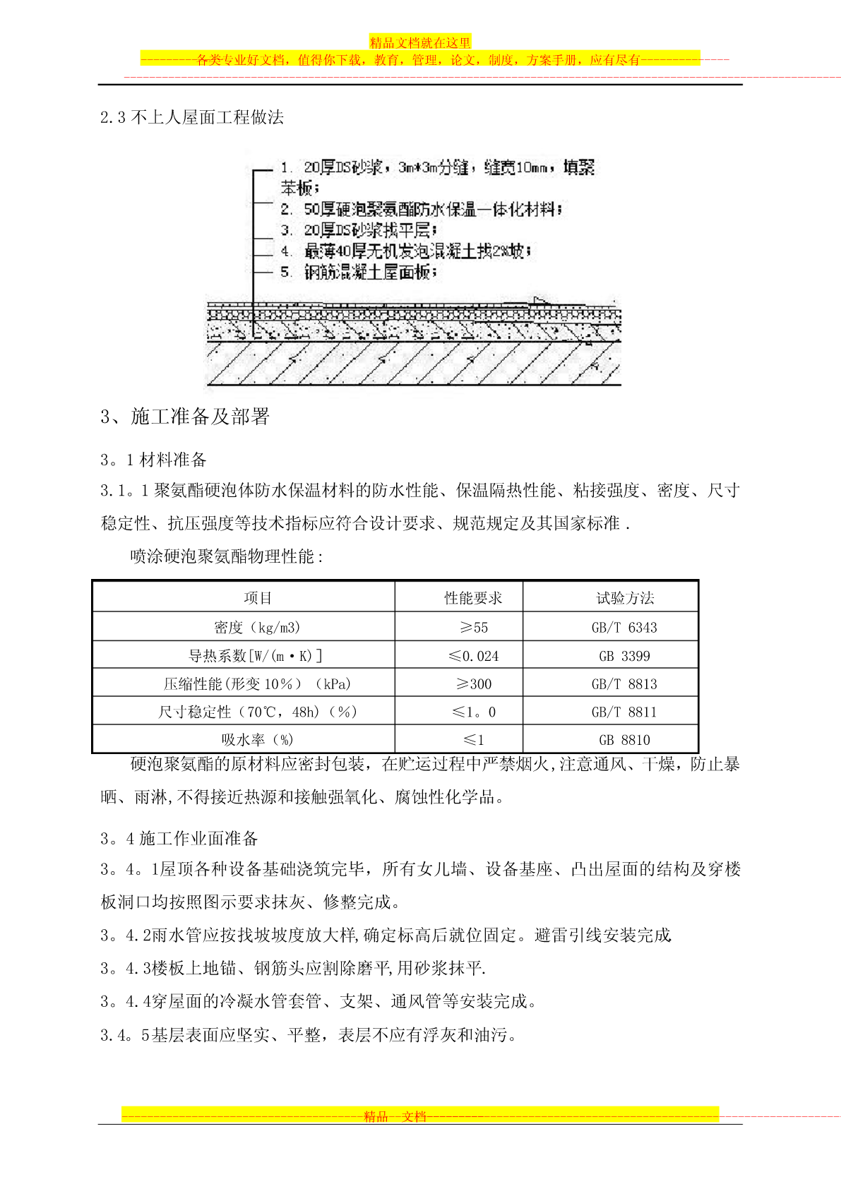
屋面防水工程施工方案2012年07月精品文档就在这里-------------各类专业好文档,值得你下载,教育,管理,论文,制度,方案手册,应有尽有----------------------------------------------------------------------------------------------------------------------------------------------------------目录1、编制依据2、工程概况3、施工准备及部署4、主要施工方法5、雨季施工6、蓄水试验7、质量保证体系8、成品保护9、安全文明施工10、环境保护---------------------------------------------------------精品文档---------------------------------------------------------------------精品文档就在这里-------------各类专业好文档,值得你下载,教育,管理,论文,制度,方案手册,应有尽有----------------------------------------------------------------------------------------------------------------------------------------------------------施工方案1、编制依据:1。依据中华人民共和国行业标准《硬泡聚氨酯保温防水工程技术规范》(GB50404—2007)2.依据国家安全生产和环境保护相关规定3。根据甲方要求及现场屋面类型2、工程概况:2。1工程及屋面概况:主体结构为框架剪力墙结构,楼屋面为上人屋面、不上人屋面。有组织内排水雨水口为87式雨水口,电梯间屋面为外排水屋面.2.2上人屋面工程做法+---------------------------------------------------------精品文档---------------------------------------------------------------------精品文档就在这里-------------各类专业好文档,值得你下载,教育,管理,论文,制度,方案手册,应有尽有----------------------------------------------------------------------------------------------------------------------------------------------------------2.3不上人屋面工程做法3、施工准备及部署3。1材料准备3.1。1聚氨酯硬泡体防水保温材料的防水性能、保温隔热性能、粘接强度、密度、尺寸稳定性、抗压强度等技术指标应符合设计要求、规范规定及其国家标准.喷涂硬泡聚氨酯物理性能:项目性能要求试验方法密度(kg/m3)≥55GB/T6343导热系数[W/(m·K)]≤0.024GB3399压缩性能(形变10%)(kPa)≥300GB/T8813尺寸稳定性(70℃,48h)(%)≤1。0GB/T8811吸水率(%)≤1GB8810硬泡聚氨酯的原材料应密封包装,在贮运过程中严禁烟火,注意通风、干燥,防止暴晒、雨淋,不得接近热源和接触强氧化、腐蚀性化学品。3。4施工作业面准备3。4。1屋顶各种设备基础浇筑完毕,所有女儿墙、设备基座、凸出屋面的结构及穿楼板洞口均按照图示要求抹灰、修整完成。3。4.2雨水管应按找坡坡度放大样,确定标高后就位固定。避雷引线安装完成.3。4.3楼板上地锚、钢筋头应割除磨平,用砂浆抹平.3。4.4穿屋面的冷凝水管套管、支架、通风管等安装完成。3.4。5基层表面应坚实、平整,表层不应有浮灰和油污。---------------------------------------------------------精品文档---------------------------------------------------------------------精品文档就在这里-------------各类专业好文档,值得你下载,教育,管理,论文,制度,方案手册,应有尽有----------------------------------------------------------------------------------------------------------------------------------------------------------4、主要施工方法4。1、屋面施工工

17****69
实名认证
内容提供者


最近下载
一种胃肠道超声检查助显剂及其制备方法.pdf
201651206021+莫武林+浅析在互联网时代下酒店的营销策略——以湛江民大喜来登酒店为例.doc
201651206021+莫武林+浅析在互联网时代下酒店的营销策略——以湛江民大喜来登酒店为例.doc
用于空间热电转换的耐高温涡轮发电机转子及其装配方法.pdf
用于空间热电转换的耐高温涡轮发电机转子及其装配方法.pdf
用于空间热电转换的耐高温涡轮发电机转子及其装配方法.pdf
用于空间热电转换的耐高温涡轮发电机转子及其装配方法.pdf
用于空间热电转换的耐高温涡轮发电机转子及其装配方法.pdf
用于空间热电转换的耐高温涡轮发电机转子及其装配方法.pdf
论《离骚》诠释史中的“香草”意蕴.docx