




如果您无法下载资料,请参考说明:
1、部分资料下载需要金币,请确保您的账户上有足够的金币
2、已购买过的文档,再次下载不重复扣费
3、资料包下载后请先用软件解压,在使用对应软件打开
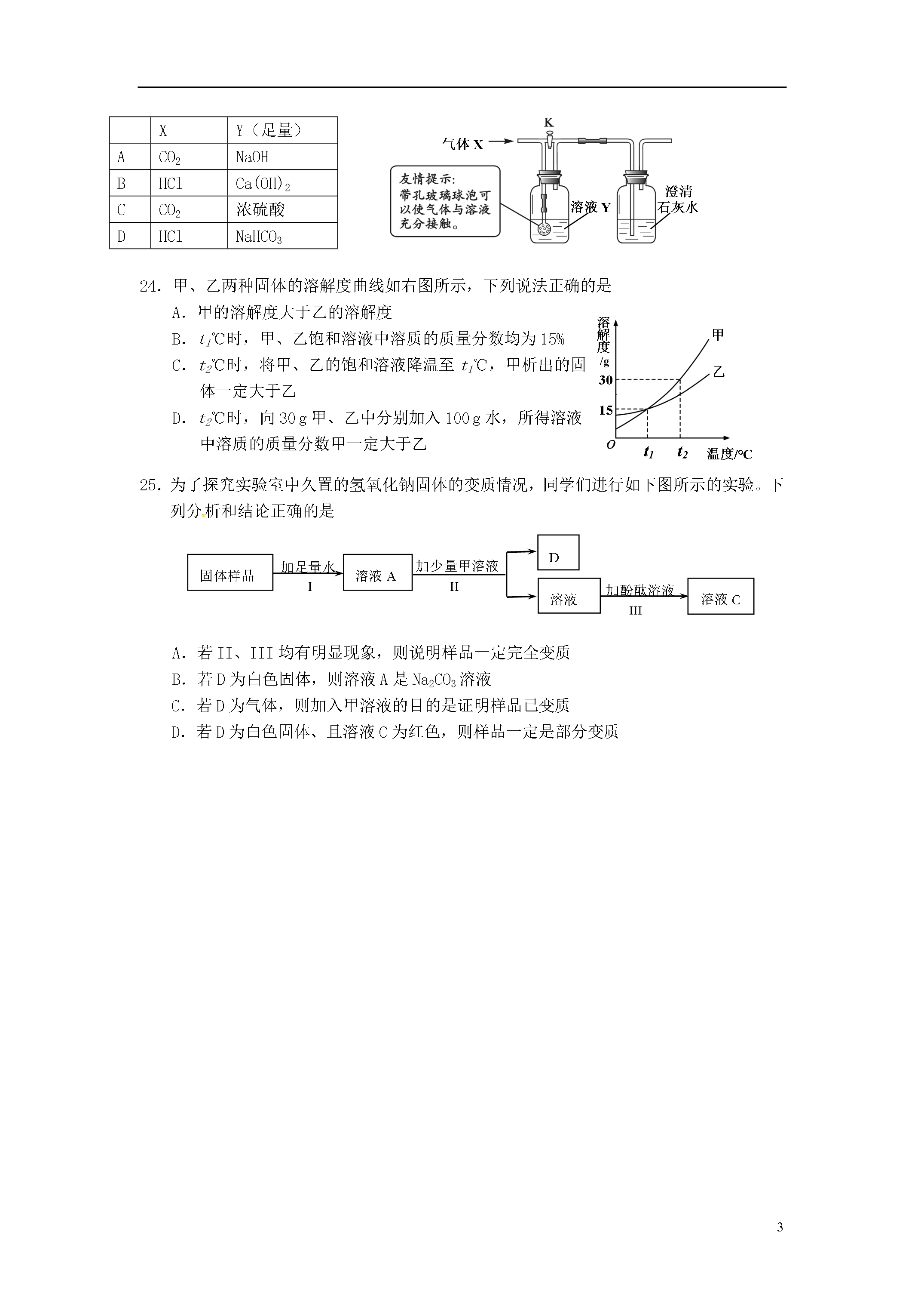
10北京市西城区2013年中考化学二模试题考生须知1.本试卷,共四道大题,35道小题,满分80分。考试时间100分钟。2.在试卷和答题卡上准确填写学校名称、姓名和准考证号。3.答案一律填写在答题卡上,在试卷上作答无效。4.考试结束,将试卷和答题卡一并交回。可能用到的相对原子质量:H1C12N14O16Na23S32Cl35.5K39Ca40Fe56Cu64第Ⅰ卷(选择题共25分)一、选择题(每小题只有一个选项符合题意,共25个小题,每小题1分,共25分。)1.下列生活中的变化,属于物理变化的是A.玻璃粉碎B.牛奶变酸C.蔬菜腐烂D.高粱酿酒2.医生建议小莉多吃水果和蔬菜,医生让她补充的营养素主要是A.蛋白质B.油脂C.糖类D.维生素3.用洗涤剂能除去餐具上的油污,是因为洗涤剂具有A.吸附作用B.乳化作用C.催化作用D.溶解作用4.人们能够闻到茶香的原因是A.分子之间有间隔B.分子在不断运动C.分子的质量和体积都很小D.分子由原子构成5.雅安地震后紧急调运了含氯消毒剂等防疫药品。含氯消毒剂中的“氯”是指A.单质B.元素C.分子D.离子6.下列图标中,表示“禁止烟火”的是ABCD7.能保持氢气化学性质的是A.氢元素B.氢原子C.氢分子D.氢离子8.科学家将铅和氪的原子核对撞,获得了一种质子数为118,相对原子质量为293的超重元素,该元素原子的核外电子数为A.47B.57C.118D.1759.下列金属中,金属活动性最强的是A.MgB.CuC.FeD.Na10.与氯化钙属于同一类物质的是高温A.硫酸B.氢氧化钠C.碳酸钠D.镁11.工业上通过以下反应将二氧化硅(SiO2)转化为硅:SiO2+2CSi+2CO↑,该反应属于A.置换反应B.分解反应C.复分解反应D.化合反应12.下列物质放入水中,不能使溶液温度升高的是A.生石灰B.浓硫酸C.食盐D.烧碱13.下列物品与所用材料不对应的是A.汽车轮胎——橡胶B.纯棉毛巾——合成纤维C.食品保鲜膜——塑料D.不锈钢餐具——铁合金14.下列操作中,能鉴别空气、氧气和二氧化碳3瓶气体的最佳方法是A.闻气体的气味B.伸入燃着的木条C.观察气体的颜色D.倒入澄清石灰水15.关于铁在氧气中燃烧的反应,下列说法不正确的是A.物质的质量比为3︰2︰1B.反应后固体的质量增加C.反应物都是单质D.火星四射,生成黑色固体16.下列实验操作中,正确的是A.倾倒液体B.过滤D.蒸发C.稀释浓硫酸17.北京奥运火炬所用的燃料是丙烷(C3H8)。下列有关丙烷的说法不正确的是A.从分类上看:属于有机化合物B.从变化上看:完全燃烧生成水和二氧化碳C.从组成上看:由碳、氢两种元素组成D.从构成上看:由3个碳原子和8个氢原子构成18.下列说法中,不正确的是A.燃烧脱硫煤,有利于减少二氧化硫的排放B.装修会造成室内污染,污染物之一是甲醛C.废弃的塑料会造成“白色污染”,应就地焚烧D.香烟的烟气中含有一氧化碳,对健康有害19.下列现象不能用质量守恒定律解释的是A.铁放入硫酸铜溶液中固体质量增加B.浓盐酸敞口放置一段时间后质量减小C.镁条燃烧后生成物的质量比镁条的质量大D.煤燃烧后变成煤灰,煤灰的质量比煤的质量小20.下列有关燃烧和灭火的说法中,不正确的是A.用水可以灭火,是因为降低了可燃物的着火点B.油锅着火时可用锅盖盖灭,是因为隔绝了空气C.硫在氧气中燃烧比在空气中燃烧更剧烈,是因为氧气浓度不同D.山林中的隔离带可以控制火势蔓延,是因为隔离了可燃物21.下列有关物质的性质及其对应用途的叙述中,不正确的是A.铁能与某些盐溶液反应,铁可从废影液(含AgNO3)中回收银B.碱能与酸发生中和反应,熟石灰可用于改良酸性土壤C.盐酸能与金属氧化物反应,盐酸可用于焊接金属前除去金属表面的锈D.盐酸能与纯碱反应,盐酸可用于除去火碱中含有的少量纯碱小资料亚硝酸钠:有咸味,易溶于水,有毒。在320℃时分解生成有刺激性气味的气体,与盐酸作用会放出红棕色气体。22.亚硝酸钠(NaNO2)是一种常用的防腐剂,相关资料见下图。亚硝酸钠在食品中的添加量必须严格控制,我国规定每千克肉灌肠中亚硝酸钠的含量不得超过150mg。下列说法不正确的是A.可用盐酸鉴别亚硝酸钠和食盐B.亚硝酸钠不可用作生活调味品C.亚硝酸钠受热分解放出的气体可能是NH3D.按国家标准,200g15%的亚硝酸钠溶液至少可生产200kg灌肠23.同学们用下图所示装置进行实验:若关闭K,通入气体X,澄清石灰水变浑浊。若打开K,缓缓通入气体X,澄清石灰水不变浑浊。则下列对气体X和溶液Y的推测正确的是XY(足量)ACO2NaOHBHClCa(OH)2CCO2浓硫酸DHClNaHCO3石灰水澄清气体X溶液Y24.甲、乙两种固体的溶解度曲线如右图所示,下列说法正确的是3015溶解度/gt1t2温度

努力****甲寅
实名认证
内容提供者


最近下载
一种胃肠道超声检查助显剂及其制备方法.pdf
201651206021+莫武林+浅析在互联网时代下酒店的营销策略——以湛江民大喜来登酒店为例.doc
201651206021+莫武林+浅析在互联网时代下酒店的营销策略——以湛江民大喜来登酒店为例.doc
用于空间热电转换的耐高温涡轮发电机转子及其装配方法.pdf
用于空间热电转换的耐高温涡轮发电机转子及其装配方法.pdf
用于空间热电转换的耐高温涡轮发电机转子及其装配方法.pdf
用于空间热电转换的耐高温涡轮发电机转子及其装配方法.pdf
用于空间热电转换的耐高温涡轮发电机转子及其装配方法.pdf
用于空间热电转换的耐高温涡轮发电机转子及其装配方法.pdf
论《离骚》诠释史中的“香草”意蕴.docx