




如果您无法下载资料,请参考说明:
1、部分资料下载需要金币,请确保您的账户上有足够的金币
2、已购买过的文档,再次下载不重复扣费
3、资料包下载后请先用软件解压,在使用对应软件打开
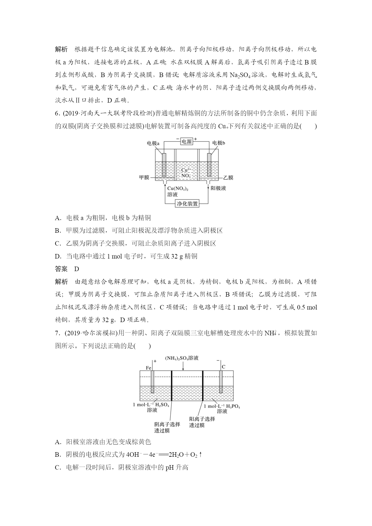
专题讲座三隔膜在电化学中的功能 1.常见的隔膜 隔膜又叫离子交换膜,由高分子特殊材料制成。离子交换膜分三类: (1)阳离子交换膜,简称阳膜,只允许阳离子通过,即允许H+和其他阳离子通过,不允许阴离子通过。 (2)阴离子交换膜,简称阴膜,只允许阴离子通过,不允许阳离子通过。 (3)质子交换膜,只允许H+通过,不允许其他阳离子和阴离子通过。 2.隔膜的作用 (1)能将两极区隔离,阻止两极区产生的物质接触,防止发生化学反应。 (2)能选择性的通过离子,起到平衡电荷、形成闭合回路的作用。 3.离子交换膜选择的依据 离子的定向移动。 4.离子交换膜的应用 问题思考 (1)用下面的装置制取NaOH、H2和Cl2,此装置有何缺陷? 答案缺陷1:Cl2和H2混合而引起爆炸; 缺陷2:Cl2与NaOH反应生成NaClO,影响NaOH的产量。 (2)用下图装置电解饱和食盐水,其中阳离子交换膜的作用有哪些? 答案(1)平衡电荷,形成闭合回路; (2)防止Cl2和H2混合而引起爆炸; (3)避免Cl2与NaOH反应生成NaClO,影响NaOH的产量; (4)避免Cl-进入阴极区导致制得的NaOH不纯。 题组一离子交换膜在原电池中的应用 1.已知:电流效率等于电路中通过的电子数与消耗负极材料失去的电子总数之比。现有两个电池Ⅰ、Ⅱ,装置如图所示。 下列说法正确的是() A.Ⅰ和Ⅱ的电池反应不相同 B.能量转化形式不同 C.Ⅰ的电流效率低于Ⅱ的电流效率 D.5min后,Ⅰ、Ⅱ中都只含1种溶质 答案C 解析Ⅰ、Ⅱ装置中电极材料相同,电解质溶液部分相同,电池反应、负极反应和正极反应式相同,A项错误;Ⅰ和Ⅱ装置的能量转化形式都是化学能转化成电能,B项错误;Ⅰ装置中铜与氯化铁直接接触,会在铜极表面发生反应,导致部分能量损失(或部分电子没有通过电路),电流效率降低,而Ⅱ装置采用阴离子交换膜,铜与氯化铜接触,不会发生副反应,放电过程中交换膜左侧负极的电极反应式为Cu-2e-===Cu2+,阳离子增多,右侧正极的电极反应式为2Fe3++2e-===2Fe2+,负电荷过剩,Cl-从交换膜右侧向左侧迁移,电流效率高于Ⅰ装置,C正确;放电一段时间后,Ⅰ装置中生成氯化铜和氯化亚铁,Ⅱ装置中交换膜左侧生成氯化铜,右侧生成了氯化亚铁,可能含氯化铁,D项错误。 2.(2020·黔东南州一模)二甲醚(CH3OCH3)燃料电池的工作原理如图,下列有关叙述正确的是() A.该装置能实现化学能100%转化为电能 B.电子移动方向为:a极→b极→质子交换膜→a极 C.a电极的电极反应式为:CH3OCH3+3H2O-12e-===2CO2+12H+ D.当b电极消耗22.4LO2时,质子交换膜有4molH+通过 答案C 解析A项,化学能转化为热能和电能,不可能100%转化为电能,错误;B项,电子不能经过电解质溶液,所以电子由a极eq\o(――→,\s\up7(导线))b极,错误;C项,a为负极,发生氧化反应,电极反应式为:CH3OCH3-12e-+3H2O===2CO2+12H+,正确;D项,状况不知,无法由体积求物质的量,所以通过H+的物质的量不知,错误。 3.随着各地“限牌”政策的推出,电动汽车成为汽车族的“新宠”。某电动汽车使用的是钴酸锂(LiCoO2)电池,其工作原理如图所示,且电解质为一种能传导Li+的高分子材料,隔膜只允许Li+通过,电池反应式为LixC6+Li1-xCoO2C6+LiCoO2。下列说法不正确的是() A.放电时,正极锂的化合价未发生改变 B.充电时Li+移动方向:右室→左室 C.放电时负极的电极反应式:LixC6-xe-===C6+xLi+ D.充电时阳极的电极反应式:Li1-xCoO2+xLi++xe-===LiCoO2 答案D 解析放电时,负极的电极反应式为LixC6-xe-===C6+xLi+,正极的电极反应式为Li1-xCoO2+xLi++xe-===LiCoO2,放电时正极上钴的化合价降低、锂的化合价不变,A、C项正确;充电时左侧为阴极,右侧为阳极,阳极发生失电子的氧化反应,阳离子由阳极移向阴极,B项正确、D项错误。 在原电池中应用离子交换膜,起到替代盐桥的作用,一方面能起到平衡电荷、导电的作用,另一方面能防止电解质溶液中的离子与电极直接反应,提高电流效率。 题组二离子交换膜在电解池中的应用 4.(2020·合肥第一次教学质量检测)利用LiOH和钴氧化物可制备锂离子电池正极材料。可用电解LiCl溶液制备LiOH,装置如下图所示。下列说法中正确的是() A.电极B连接电源正极 B.A极区电解液为LiCl溶液 C.阳极反应式为2H2O+2e-===H2↑+2OH- D.每生成1molH2,有1molLi+通过该离子交换膜 答案B

猫巷****忠娟
实名认证
内容提供者


最近下载
一种基于双轨缆道的牵引式雷达波在线测流系统.pdf
一种基于双轨缆道的牵引式雷达波在线测流系统.pdf
一种胃肠道超声检查助显剂及其制备方法.pdf
201651206021+莫武林+浅析在互联网时代下酒店的营销策略——以湛江民大喜来登酒店为例.doc
201651206021+莫武林+浅析在互联网时代下酒店的营销策略——以湛江民大喜来登酒店为例.doc
用于空间热电转换的耐高温涡轮发电机转子及其装配方法.pdf
用于空间热电转换的耐高温涡轮发电机转子及其装配方法.pdf
用于空间热电转换的耐高温涡轮发电机转子及其装配方法.pdf
用于空间热电转换的耐高温涡轮发电机转子及其装配方法.pdf
用于空间热电转换的耐高温涡轮发电机转子及其装配方法.pdf