




如果您无法下载资料,请参考说明:
1、部分资料下载需要金币,请确保您的账户上有足够的金币
2、已购买过的文档,再次下载不重复扣费
3、资料包下载后请先用软件解压,在使用对应软件打开
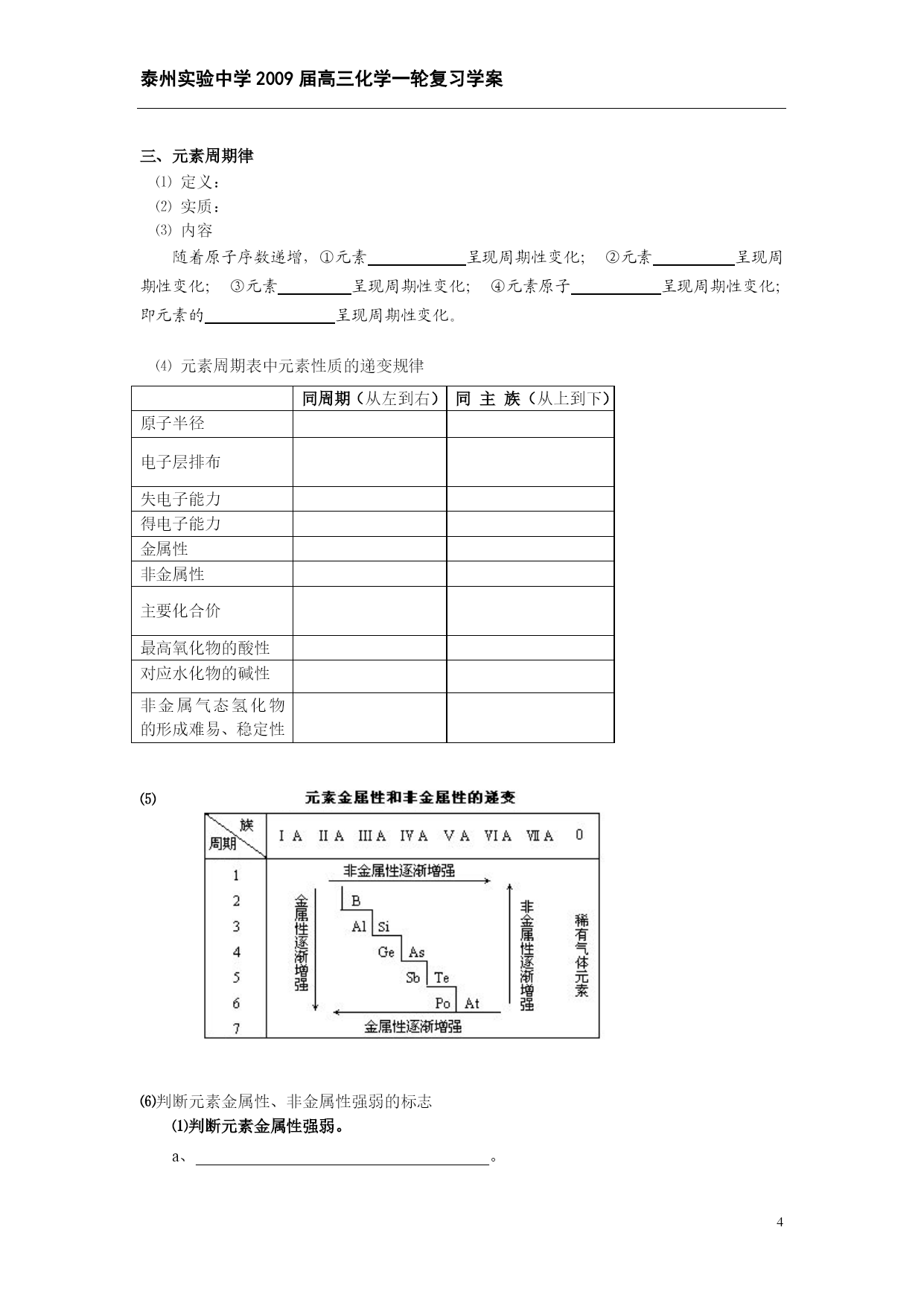
泰州实验中学2009届高三化学一轮复习学案 专题八原子结构元素周期律和元素周期表 【学习要求】 1.了解元素、核素和同位素的含义。知道原子序数、核电荷数、质子数、中子数、核外电子数以及它们之间的相互关系。 2.了解1-18号元素的原子核外电子排布,能用原子结构示意图表示原子和简单离子的结构。 3.了解元素周期表(长式)的结构(周期、族)及应用。 4.认识元素周期律的本质。掌握同一周期、同一主族元素的原子结构与元素性质递变规律的关系。 5.了解原子结构、元素在周期表中的位置及其性质的规律。 【学习重点】 1.掌握元素周期律的实质—原子结构的周期性变化引起元素性质的周期性变化。 2.掌握元素周期律的具体内容:化合价、金属性、非金属性的周期性变化。 3.掌握元素金属性、非金属性的表现及实质。 【学习难点】根据同周期、同主族元素性质的递变规律,推断物质的结构与性质 【学法指导】学习这部分知识学会抓住一条主线、两个规律。即紧紧抓住原子结构这条主线,抓住宏观和微观规律。熟练掌握位—构—性之间的关系。 [知识梳理] X Z A 一.原子结构 1、 核电荷数= 质量数= 2、比较元素、核素、同位素 概念元素核素同位素实例 3、原子中各粒子的作用 ①数决定元素种类,同种元素的不同,其数相同数不同,②数和数共同决定了原子(核素)的种类 ③元素的化学性质决定于和,其中是决定元素化学性质的主要因素。 4、同位素的性质及表示方法 同位素的性质几乎完全相同而性质不同,若某元素的原子核内有6个质子和6个中子,其核素组成符号为,说出核素的一个用途。 思考:为什么同位素的化学性质几乎完全相同而物理性质不同? 【例1】下列说法正确的是 A.原子核都是由质子和中子构成的 B.质子数相同的粒子其化学性质不一定相同 C.质子数不同的原子其质量数也一定不同 D.质子数相同的微粒,核外电子数一定相同,但化学性质不一定相同 【例2】从下列序号中选择填空: 互为同位素的是;互为同分异构体的是;互为同系物的是;互为同素异形体的是;同一物质的是。 ①H216O和H218O②C60和金刚石③C4H10和C12H26 ④ ⑤HCOOCH3和CH3COOH⑥235U和238U 5、原子核外电子排布 (1)核外电子运动特征: (2)核外电子排布的规律(一低三不超) ①第n电子层上最多可容纳个电子。 ②最外层上的电子数目不超过个(K层为最外层时不超过个),次外层上电子数目不超过个,倒数第3层上电子数目不超过个。 ③电子总是率先排布在能量最低的电子层上,然后从低到高依次排布在能量较高的电子层上。 (3)短周期元素中原子结构的特殊性 ①原子核中无中子的原子:。②最外层有1个电子的元素:。③最外层有2个电子的元素:。④最外层电子数等于次外层电子数的元素:。⑤最外层电子数是次外层电子数2倍的元素:;是次外层电子数3倍的元素:;是次外层电子数4倍的元素:。⑥电子层数与最外层电子数相等的元素:。⑦电子总数为最外层电子数2倍的元素:。⑧次外层电子数是最外层电子数2倍的元素:。⑨内层电子数是最外层电子数2倍的元素:。 6、核外电子数相同的微粒 (1)核外电子总数为10的微粒: (2)核外电子总数为18的微粒: (3)核外电子总数和质子总数均相同的离子 7、微粒半径的大小比较 (1)在同一周期中,随着核电荷数的递增,原子半径逐渐;在同一主族中,随着核电荷数的递增,原子半径逐渐。 (2)对同一元素来说,原子半径阳离子半径;原子半径阳离子半径。 (3)电子层排布相同的离子,随着核电荷数的递增,离子半径。如:离子半径r(Ca2+)r(K+)r(Cl-)r(S2-) 例3:已知An+、B(n+1)+、Cn-、D(n+1)-都具有相同的电子层结构,则A、B、C、D的原子半径由大到小的顺序是,原子序数由大到小的顺序是。 二、元素周期表 1、元素周期表的编排 (1)编排依据: (2)编排原则: ①按递增的顺序从左到右排列; ②将相同的元素从左到右排成一横行; ③把相同的元素按电子层数递增的顺序从上到下排成纵行。 2、周期表的结构 ⑴元素周期表(长式)的结构 _____个短周期(1、2、3周期) 周期(__个)_____个长周期(4、5、6周期) _____个不完全周期(7周期) 元素周期表主族(_____个)IA~VIIA 副族(_____个)IB~VIIB 族(___个)VIII族(_____个)8、9、10三个纵行 零族(_____个)最右边一个纵行(惰性气体元素) 归纳:七主、七副、一八、一零;三长、三短、一不完全。 ⑵、元素周期表与原子结构的关系 原子序数=_____________数=_____________数=_____________数 周期序数=_______

fu****级甜
实名认证
内容提供者


最近下载
一种胃肠道超声检查助显剂及其制备方法.pdf
201651206021+莫武林+浅析在互联网时代下酒店的营销策略——以湛江民大喜来登酒店为例.doc
201651206021+莫武林+浅析在互联网时代下酒店的营销策略——以湛江民大喜来登酒店为例.doc
用于空间热电转换的耐高温涡轮发电机转子及其装配方法.pdf
用于空间热电转换的耐高温涡轮发电机转子及其装配方法.pdf
用于空间热电转换的耐高温涡轮发电机转子及其装配方法.pdf
用于空间热电转换的耐高温涡轮发电机转子及其装配方法.pdf
用于空间热电转换的耐高温涡轮发电机转子及其装配方法.pdf
用于空间热电转换的耐高温涡轮发电机转子及其装配方法.pdf
论《离骚》诠释史中的“香草”意蕴.docx