


如果您无法下载资料,请参考说明:
1、部分资料下载需要金币,请确保您的账户上有足够的金币
2、已购买过的文档,再次下载不重复扣费
3、资料包下载后请先用软件解压,在使用对应软件打开
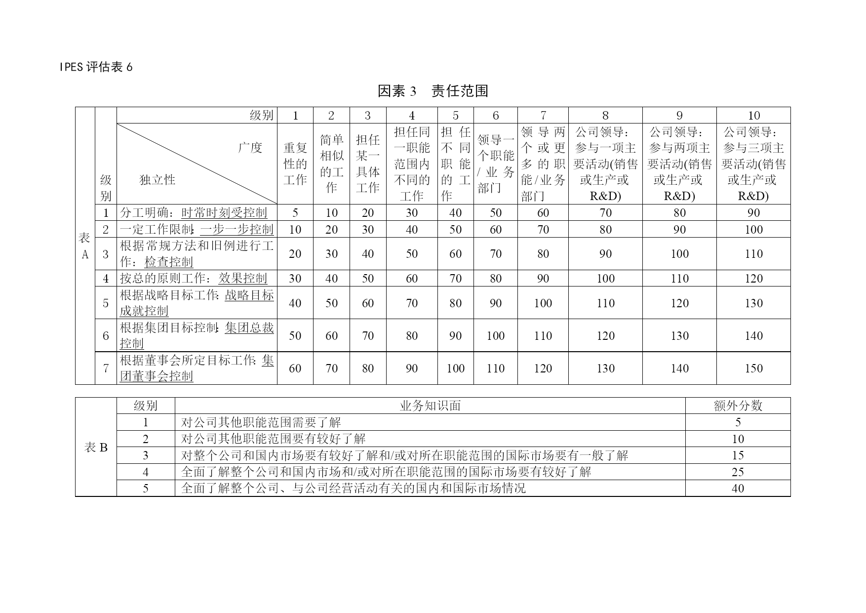
IPES评估表6因素3责任范围表A级别级别12345678910广度独立性重复性的工作简单相似的工作担任某一具体工作担任同一职能范围内不同的工作担任不同职能的工作领导一个职能/业务部门领导两个或更多的职能/业务部门公司领导:参与一项主要活动(销售或生产或R&D)公司领导:参与两项主要活动(销售或生产或R&D)公司领导:参与三项主要活动(销售或生产或R&D)1分工明确:时常时刻受控制51020304050607080902一定工作限制:一步一步控制1020304050607080901003根据常规方法和旧例进行工作:检查控制20304050607080901001104按总的原则工作:效果控制304050607080901001101205根据战略目标工作:战略目标成就控制4050607080901001101201306根据集团目标控制:集团总裁控制50607080901001101201301407根据董事会所定目标工作:集团董事会控制60708090100110120130140150表B级别业务知识面额外分数1对公司其他职能范围需要了解52对公司其他职能范围要有较好了解103对整个公司和国内市场要有较好了解和/或对所在职能范围的国际市场要有一般了解154全面了解整个公司和国内市场和/或对所在职能范围的国际市场要有较好了解255全面了解整个公司、与公司经营活动有关的国内和国际市场情况40独立性:1级:该岗位的员工在某些情况下可以对方法、材料、设备等进行选择但其上级须时刻检查工作的正确性,这类工作范围可包括办事员、打字员、操作工等。2级:该岗位的员工有一系列指令可遵照执行,能在限制范围内自行安排工作,但每一步都受上级的控制。3级:该岗位的员工可自行决定采用何种方法或行动达成工作目标,但其工作每隔一定阶段要接受上级检查,检查点由上级共同商量决定。4级:该岗位的员工可按照常规原则对其工作进行计划安排,但须其它岗位人员加以批准(本岗位员工可参与此决策)。5级:该岗位员工遵循公司的战略目标,可相当独立地进行工作,负责规划部门结构、必要的资源、方法等,凡关系到该岗位职责以外或全局战略性问题的决定需要经过批准。如果上级经常给予本岗位职责范围内战略方向上的指导,则应选择4级和5级之间。6级:在公司控制下负责某项经营活动,遵循公司的战略目标并独立制定方针,该岗位以经营目标为导向而非如何实现目标。只有关系全局战略性的问题才需得到批准,如果该岗位常被给予战略方向上的指导,应选择5级与6级之间。一般来说,定在6级的人员常常是“影响”因素中定为14级的领导,而12或13级的领导常定为5级到6级之间。7级:该岗位负责与公司管理层一起设定公司整体目标和政策。如果是集团公司中的一个公司,则应选则6级到7级之间。广度:1级:处理重复性的日常事务。2级:处理几种(2-3)相似的工作。例如:打字员同时兼管接线、接待等工作。3级:处理较广范围内与职责有关的的几种相似活动(见下面说明)。4级:负责同一职能范围内不同的活动(见下面说明)。一般在一个职能范围内常包括几种活动或工作/知识面,如:财务方面,可有以下领域:A预算B一般会计C成本会计D税务E财政F内部审计人事方面,可有以下领域:A招聘B工业关系C培训和发展D组织的发展E养老和保险F福利及赔偿生产方面,可有以下领域:A制造B质量控制C产品计划D维护E工程F修理和服务销售和市场方面,可有以下领域:A市场研究B销售计划C广告D推销E销售技术支持F销售运作“相似”活动指一组任务/知识领域中的A,B或C;“不同”活动指二组或以上任务/知识领域中的A,B或C。举例来说,一个财会人员要处理付帐、收款、银行、分类帐等日常财会业务,这些活动即为“相似”。如果在同一个部门中,财会主管也要处理成本会计、财务工作外加行政管理工作,这些活动应是“不同”。5级:负责一个以上职责范围内的活动。比如,负责人事与财务,或负责市场与采购。6级:主管某一部门(一般为B级),如生产,或销售/市场,或人事,或财务。7级:主管两个或以上部门(或职能),如人事与财务,或制造与开发,或销售/市场与行政。这些不同的部门或职能应是在公司内具有相当重要性的。8级:主管公司的某一项经营活动(A级),如生产,或销售/市场,或人事,或财务。9级:主管公司的两项经营活动(A级),如生产和销售,或制造与研发等。10级:主管公司的三种主要经营活动(A级),如生产、研发和销售/市场。

yy****24
实名认证
内容提供者


最近下载
一种胃肠道超声检查助显剂及其制备方法.pdf
201651206021+莫武林+浅析在互联网时代下酒店的营销策略——以湛江民大喜来登酒店为例.doc
201651206021+莫武林+浅析在互联网时代下酒店的营销策略——以湛江民大喜来登酒店为例.doc
用于空间热电转换的耐高温涡轮发电机转子及其装配方法.pdf
用于空间热电转换的耐高温涡轮发电机转子及其装配方法.pdf
用于空间热电转换的耐高温涡轮发电机转子及其装配方法.pdf
用于空间热电转换的耐高温涡轮发电机转子及其装配方法.pdf
用于空间热电转换的耐高温涡轮发电机转子及其装配方法.pdf
用于空间热电转换的耐高温涡轮发电机转子及其装配方法.pdf
论《离骚》诠释史中的“香草”意蕴.docx