




如果您无法下载资料,请参考说明:
1、部分资料下载需要金币,请确保您的账户上有足够的金币
2、已购买过的文档,再次下载不重复扣费
3、资料包下载后请先用软件解压,在使用对应软件打开
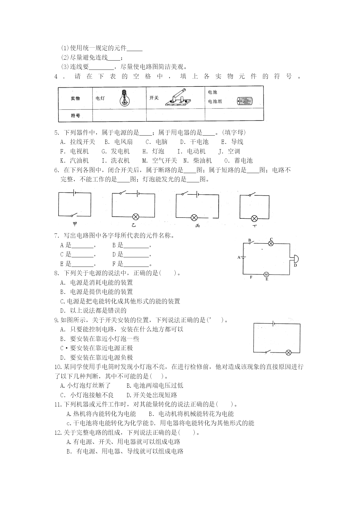
九年级物理第十一章简单电路认识电路一、电路的组成及各元件的作用。1、电路的组成:由电源、用电器以及导线、开关等元件组成的电流路径叫电路。2、电路元件的作用:(1)电源:提供电压的装置。干电池、蓄电池、发电机等都是电源。(2)用电器:指利用电流来工作的设备。如电铃、电风扇、电视机等。(3)开关:控制电路通、断的器件。有拉线开关、拨动开关、按钮开关等。(4)导线:传送电流。二、电路的三种状态:1、通路:处处连通的电路。此时电路是闭合的,电路中有电流通过。如图所示:2、断路:断开的电路,也叫开路。此时电路不闭合,电路中无电流。如图所示:3、短路:不经过用电器而直接用导线把电源的正负极连接在一起或用导线把某一用电器的两个接线柱连接在一起。电源短路时电路中电流很大,会损坏电源,并使导线绝缘皮燃烧。连接电路时必须避免短路。电路中各元件的符号在设计、安装、修理各种实际电路的时候,常常需要画出表示电路连接情况的图。为了简便,通常不画实物图,而用国家统一规定的符号来代表电路中的各种元件。出示示教板或画有各电路元件符号的投影片,并作说明。三、电路图用规定的符号表示电路连接情况的图叫电路图。示范:画出图1的电路图(图2)。②让同学画出用电铃做实验时的电路图。让同学说明电路中的电流方向。③变换一下图1实验中元件的位置,再让同学们练习画出电路图。注意纠正错误的画法。④根据同学们画电路图的情况,进行小结,提出画电路图应注意的问题元件位置安排要适当,分布要均匀,元件不要画在拐角处。整个电路图最好呈长方形,有棱有角,导线横平竖直。练习题1.能够提供电能的装置叫做____,如____;能把电能转化成其他形式的能的装置叫做____,如____;在电路中控制电路通断的装置叫做____,如____;连接电路的导线通常都是由____外皮和____内心组成,内心的材料通常是____和____。2.处处连通的电路,叫做____;如果没有闭合开关,或者导线没有连接好,电路在某处断开,处在这种状态的电路叫做____,又叫____;不经过用电器,直接用导线把电源两极连接起来的电路叫做____;发生____时,会烧毁电源,甚至引起火灾,因此在用电时一定要避免它。3.在画电路图时,应做到:(1)使用统一规定的元件_____(2)尽量避免连线____;(3)连线要________,尽量使电路图简洁美观。4.请在下表的空格中,填上各实物元件的符号。5.下列器件中,属于电源的是____;属于用电器的是____。(填字母)A.拉线开关B.电风扇C.电脑D.干电池E.导线F.电视机G.发电机H.灯泡I.电动机J.空调K.汽油机I.洗衣机M.空气开关N.柴油机O.蓄电池6.在下列各图中,闭合开关后,属于断路的是____图;属于短路的是____图;电路不完整,不能工作的是____图;灯泡能发光的是____图。7.写出电路图中各字母所代表的元件名称。A是_______,B是________,C是_______,D是________,E是_______,F是________。8.下列关于电源的说法中,正确的是()。A.电源是消耗电能的装置B.电源是提供电能的装置C.电源是把电能转化成其他形式的能的装置D.以上说法都是错误的9.如图所示,关于开关安装的位置,下列说法正确的是(’)。A.只要能控制电路,安装在什么地方都可以B.要安装在靠近小灯泡一些C·要安装在靠近电源正极D.要安装在靠近电源负极10.某同学使用手电筒时发现小灯泡不亮,在进行检修前,他对造成该现象的直接原因进行了以下几种判断,其中不可能的是()。A.小灯泡灯丝断了B.电池两端电压过低C.小灯泡接触不良D.开关处出现短路11.下列机器或元件工作时,对其能量转化的说法正确的是()。A.热机将内能转化为电能B.电动机将机械能转花为电能c.干电池将电能转化为化学能D.用电器将电能转化为其他形式的能12.关于完整电路的组成,下列说法正确的是()。A.有电源、开关、用电器就可以组成屯路B.有电源、用电器、导线就可以组成电路C.有用电器、开关、导线就可以组成电路D.有电源、用电器、开关、导线就可以组成电路13.请根据图甲所示的电路图,把图乙中的实物连接起来。14.指出下列各图中的错误,并把它们改正过来。A.______________B._______________C.________________15.在电工书上,列出白炽电灯的一项常见故障与检修方法如下表:上述故障的可能原因可以概括成()。A.电路出现了开路B.电路出现了短路C。电路组成不完整D.以上三种原因都有可能16.如下图所示是一种门铃电路,请根据题意在方框内画出它的电路图。认识电路电路的基本连接方法1、串联电路。(1)定义:把用电器逐个顺次地连接起来的电路叫串联电路。(2)电路图:(3)

yy****24
实名认证
内容提供者


最近下载
一种胃肠道超声检查助显剂及其制备方法.pdf
201651206021+莫武林+浅析在互联网时代下酒店的营销策略——以湛江民大喜来登酒店为例.doc
201651206021+莫武林+浅析在互联网时代下酒店的营销策略——以湛江民大喜来登酒店为例.doc
用于空间热电转换的耐高温涡轮发电机转子及其装配方法.pdf
用于空间热电转换的耐高温涡轮发电机转子及其装配方法.pdf
用于空间热电转换的耐高温涡轮发电机转子及其装配方法.pdf
用于空间热电转换的耐高温涡轮发电机转子及其装配方法.pdf
用于空间热电转换的耐高温涡轮发电机转子及其装配方法.pdf
用于空间热电转换的耐高温涡轮发电机转子及其装配方法.pdf
论《离骚》诠释史中的“香草”意蕴.docx