



如果您无法下载资料,请参考说明:
1、部分资料下载需要金币,请确保您的账户上有足够的金币
2、已购买过的文档,再次下载不重复扣费
3、资料包下载后请先用软件解压,在使用对应软件打开
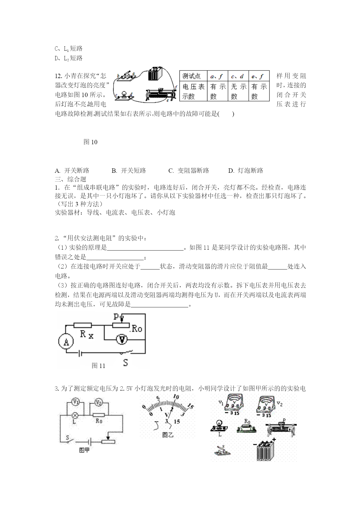
一、填空题1.图1所示电路中,电源电压为10V,闭合开关,电压表示数U=10V,则ab之间或ab两点之外;若电压表示数U=0V,则ab之间或ab之外图12.如图2所示的甲、乙两个电路中,开关闭合后,电线燃烧起来,甲产生的原因______________________________。乙产生的原因是。二、选择题1.小明按如图3甲所示的电路进行实验,当开关闭合后,电压表V1和V2的指针位置完全一样,如图3乙所示,造成这一现象的原因是()A.可能L1开路B.可能L2短路C.可能V1和V2所选量程不相同,L1短路D.可能V1和V2所选量程不相同,电路各处完好2.某同学用电流表测串联电路的电流时,闭合开关后,发现电流表指针来回摆动,灯泡时亮时暗,则可能发生的故障原因是()A.导线开路B.开关断开C.灯泡与灯座接触不良D.电流表损坏3.如图4,闭合开关S,灯L亮,一段时间后灯L熄灭。若电路中只有一处故障,且只发生在灯L或R上。现用一只完好的电流表并联在灯L两端,则下列判断正确的是()A.若电流表有示数,则灯L一定断路B.若电流表有示数,则电阻R一定短路C.若电流表无示数,则电阻R一定断路图4D.若电流表无示数,则灯L一定短路4..在电学实验中,遇到断路时,常用电压表来检测。某同学连接了如图5所示的电路,闭合开关S后,发现灯不亮,为检查电路故障,他用电压表进行测量,结果是Uae=3V,Uab=0,Ubd=0,Ude=3V。若电路故障只有一处,则此电路的故障可能是()A.开关S接触不良B.小灯泡灯丝断了图5C.d、e间出现断路D.e、f间出现断路5.如图6所示,闭合开关S时,灯泡L1、L2都不亮,用一根导线的两端接触a、b两点时两灯都不亮;接触b、c两点时,两灯都不亮;接触c、d两点时,两灯都亮。则()A.灯L1断路B.灯L2断路C.灯L2短路D.开关S断路图66.李刚家的灯不亮了,他用测电笔检查时发现测电笔的氖管仍能发光,保险丝和灯泡都完好,分析发生此故障的原因是()A.停电了B.进户的火线断了C.火线与零线相碰了D.零线断了7.家庭电路中,我们常常会遇到这样一种故障:闭合开关E灯泡B不亮,用电笔测试,结果插座C的两个孔、开关D内的两个接线柱都有电。参看下面左边的电路图,你认为这种故障最有可能出在哪里()A.火线保险丝被烧断B.零线保险丝被烧断C.灯泡B的灯丝已被烧断D.灯泡A的灯丝已被烧断8.电工师傅常用一只标有“220V40W”的灯泡L0(检验灯泡)取代保险丝来检查新安装的照明电路中每个支路的情况,如图所示.当只闭合S、S1时L0不亮;当只闭合S、S2时,L0和L2都呈暗红色;当只闭合S、S3时,L0正常发光.由此可以判断()A.L1所在的支路短路B.L2所在的支路断路C.L3所在的支路短路D.各支路均完好9.如图7所示的电路中,电源电压保持不变。闭合开关S后,灯L1、L2都正常发光,一段时间后,其中一盏灯突然熄灭,观察电压表的示数不变,而电流表的示数变小。产生这一现象的原因是()图7A.灯L1开路B.灯L1短路C.灯L2开路D.灯L2短路10.在图8所示的电路中,电源电压不变。闭合电键K后,灯Ll、L2都发光。一段时间后,其中的一盏灯突然熄灭,而电压表V1的示数变大,电压表V2的示数变小。则产生这一现象的原因是()A.灯L1断路B.灯L2断路图8C.灯L1短路D.灯L2短路11.如图9所示,两盏灯L1和L2串联接入电路,合上开关后两灯均正常发光,电压表和电流表均有示数,突然两灯先后熄灭,同时发现电压表示数变为零,电流表示数先增大后变为零,电路发生故障的首要原因是()A、L1断路B、L2断路图9C、L1短路D、L2短路12.小青在探究“怎样用变阻器改变灯泡的亮度”时,连接的电路如图10所示。闭合开关后,灯泡不亮,她用电压表进行电路故障检测,测试结果如右表所示,则电路中的故障可能是()图10A.开关断路B.开关短路C.变阻器断路D.灯泡断路三、综合题1.在“组成串联电路”的实验时,电路连好后,闭合开关,亮灯都不亮。经检查,电路连接无误,是其中一只小灯泡坏了。请你从以下实验器材中任选一种,检查出那只灯泡坏了。(写出3种方法)实验器材:导线、电流表、电压表、小灯泡2.“用伏安法测电阻”的实验中:(1)实验的原理是________________________。如图11是某同学设计的实验电路图,其中错误之处是__________________;(2)在连接电路时开关应处于______状态,滑动变阻器的滑片应位于阻值最______处连入电路。(3)按正确的电路图连好电路,闭合开关后,两表均没有示数。拆下电压表并用电压表去检测,结果在电源两端以及滑动变阻器两端均测得电压为U,而在开关两端以及电流表两端均未测出电压,可见故障是_________

yy****24
实名认证
内容提供者


最近下载
一种胃肠道超声检查助显剂及其制备方法.pdf
201651206021+莫武林+浅析在互联网时代下酒店的营销策略——以湛江民大喜来登酒店为例.doc
201651206021+莫武林+浅析在互联网时代下酒店的营销策略——以湛江民大喜来登酒店为例.doc
用于空间热电转换的耐高温涡轮发电机转子及其装配方法.pdf
用于空间热电转换的耐高温涡轮发电机转子及其装配方法.pdf
用于空间热电转换的耐高温涡轮发电机转子及其装配方法.pdf
用于空间热电转换的耐高温涡轮发电机转子及其装配方法.pdf
用于空间热电转换的耐高温涡轮发电机转子及其装配方法.pdf
用于空间热电转换的耐高温涡轮发电机转子及其装配方法.pdf
论《离骚》诠释史中的“香草”意蕴.docx