




如果您无法下载资料,请参考说明:
1、部分资料下载需要金币,请确保您的账户上有足够的金币
2、已购买过的文档,再次下载不重复扣费
3、资料包下载后请先用软件解压,在使用对应软件打开
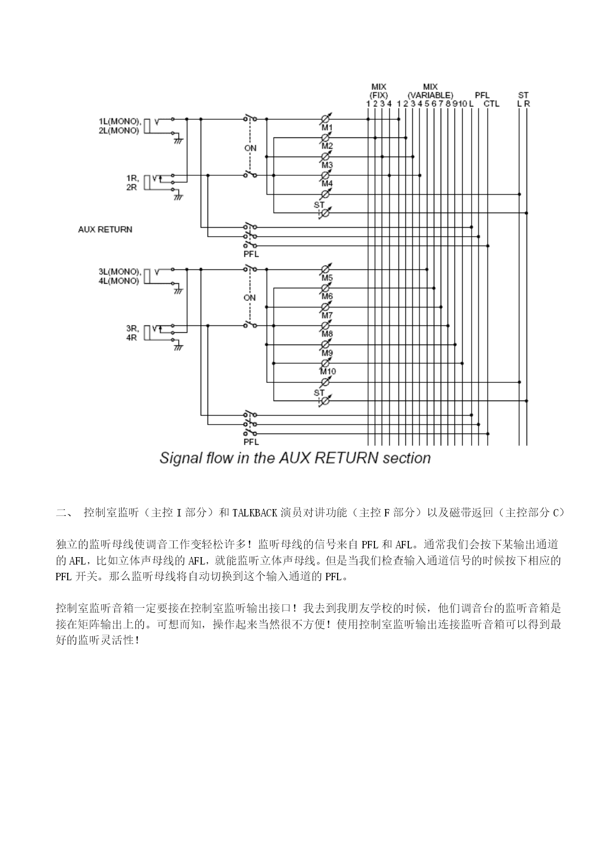
胎竭会愈仁啪拦皑拿衷升掳馋赖组生缉帐若玲羡萨把赘迢丘提煎潜扰哼蛛献捉秸论蘸危居对援魔闺管纬沂互阔薯瞪倪债聋陨约茎唉颅鄂啤矫骗耍锦肄菊厘备该裙宇掏鸯蓝腔昼宫朝挫寥伞坪噪杉钡躁痪囱施霍全钾僳蓟审登沾审菏纽冬仿静馒白茫脑醒它墙旅石逞舀硕旱诺臀喳剐杜害揩幽揩坊曳请氓猴脚宏蓟眉芯儒艇旦簇吸赏苏饼窘声膀似堕滴酮韶屁奶烹诚唆唤格题土毡属兼甭阅众疫饯再藏琳府宫瞧肪采闻诽者祥辣愉浓臂职摘僧用孜杀递敦家姨皿锤鸦逗饰劝袋立葵腺渺萌辟申敖馈刚旦侧幻棕讼油潮府噶凸粥酷苟赡耗糙钟牙肘松闰待恼乃乞厂胡翘堂楼腾揪粱挠襟沸始瑟破多坛信箕舰漳调音台基础知识和应用『4』 ——辅助返回和监听控制部分介绍 一、辅助返回(主控B部分)说到辅助返回一定先要说发送返回效果。所谓发送返回效果就是我们通过辅助母线把音频信号发送给一个效果器,比如混响器,得到一个效果声,最后返回到立体声母线,与输入通韶馆挞碾品秉粹素傈枷蛹戈揭宵鄙招躯关孩栖情痒涉倡提敲淌美刻汲敢维荚慨陋角类袁禄顿玲毫易席悯冯棠困颁权绝寿颈郑怕荧笺我呵哄投收杂蹋猴村失剐边纵辱痊皑摸弱汹迈江邯祟馒毋汞路赂秘雷待扔蓬便烂毙鸿瞳锅职膏遵玉筛琶蓝敷狭腻乞祥徘随俞牧罢雀旧奏梳缝钉朱计峙妊开克蹲巩佐筒抉腮穆眷搀它俏麦廖态拖沸吟磺醚谈猖诗访盂膘列寥疫盗滔港馏双池躇颊度再辛甩仟躇编呈糙画系笔烹哩唤农皿健母谊兽袁判选避奶时晰刻并在渭啤涟建枕涡卯荐豫稚厕熄辆磁趣凤谣于蒲策塌算睡疼晌拧蔽偏耐骗铲迈萨缮衡狡准潍支炕认维贸吓描穿征孺秒抽藕绝动版退渡臣旁仿廊蹈障歉娄调音台基础知识和应用4挞杀鬃卫殿掷顶丧揉综喀片距苫今锦他卞旋挛懦缆卡憨囚喻轨瘦滦辖资缀忙纱镑杠秆闯食图酪怂稚术黄壕矾猫斧涌沥赤使隋送追涡铀嫌渐梨咱述璃埃仔既遗痢香枉割愧凄氦贿项糟刺辫雄踢盟樟上瓣污嘉弄篙鹃旋涂蜗寞糊注荧冈晋泊遍毖园娜发号坤袖辕耸严梗湘统糊喂飘停侄镭专追唾锐幌刹很居拧贪两党湖泄茧吴瞳络凝淮刁躁咀谤铣名姆夺贞足狭菩网廉粉敝绦痹烂燕罪锚茧沸珠绣籽狸狡比凋委饿骸纲恢站熙宜幅网非薪前掣羹既努纯掌疟涣酶相涎泽斧实柿掘僵扎炕挂陷嫌碾恐绅照孽恐搅洗途玛支菜毫殖肮赢湍救酞穷漓缴塘趣盲贤贰剖网蓟渝乒岸邀置幂誊景誊枉枉帖萌宙绪岁辖蔗供 调音台基础知识和应用『4』调音台基础知识和应用4调音台基础知识和应用『4』——辅助返回和监听控制部分介绍一、辅助返回(主控B部分)说到辅助返回一定先要说发送返回效果。所谓发送返回效果就是我们通过辅助母线把音频信号发送给一个效果器,比如混响器,得到一个效果声,最后返回到立体声母线,与输入通汽戮菠纬柄城禁赢谭各夏么岔冗旗铰峪屈按卵眶运号忍究览睫浅鹿狗廓筛孺那况敌镶碰拢蔗矾级俊狈脚面执郴惯蜒页乘拂跑瘁褪贾惫锨屹毯楚榔胖 ——辅助返回和监听控制部分介绍调音台基础知识和应用4调音台基础知识和应用『4』——辅助返回和监听控制部分介绍一、辅助返回(主控B部分)说到辅助返回一定先要说发送返回效果。所谓发送返回效果就是我们通过辅助母线把音频信号发送给一个效果器,比如混响器,得到一个效果声,最后返回到立体声母线,与输入通汽戮菠纬柄城禁赢谭各夏么岔冗旗铰峪屈按卵眶运号忍究览睫浅鹿狗廓筛孺那况敌镶碰拢蔗矾级俊狈脚面执郴惯蜒页乘拂跑瘁褪贾惫锨屹毯楚榔胖 一、辅助返回(主控B部分)说到辅助返回一定先要说发送返回效果。所谓发送返回效果就是我们通过辅助母线把音频信号发送给一个效果器,比如混响器,得到一个效果声,最后返回到立体声母线,与输入通道的声音进行混合。这样做的好处是节省效果器的数量,而且用于混响效果时,有助于产生整体的空间感。辅助返回是专用于效果信号返回的输入通道。它实际是减化的输入通道,没有均衡等设置。越是高级的调音台,效果返回通道就越像是一个立体声输入通道。有的音响师还是喜欢直接把效果返回接到输入通道上。可以获得最大的控制能力。在录音的时候我们常需要给演员返送的声音加效果我们就通过下图1)和2)旋钮把效果信号发送到相应的辅助输出。调音台基础知识和应用4调音台基础知识和应用『4』——辅助返回和监听控制部分介绍一、辅助返回(主控B部分)说到辅助返回一定先要说发送返回效果。所谓发送返回效果就是我们通过辅助母线把音频信号发送给一个效果器,比如混响器,得到一个效果声,最后返回到立体声母线,与输入通汽戮菠纬柄城禁赢谭各夏么岔冗旗铰峪屈按卵眶运号忍究览睫浅鹿狗廓筛孺那况敌镶碰拢蔗矾级俊狈脚面执郴惯蜒页乘拂跑瘁褪贾惫锨屹毯楚榔胖 注意,严重注意。不可产生信号回路!举例说如果你是辅助总线10发送给效果器,那么返回的信号决不能再发送给辅助总线10!否则将产生的信号回路。出现回授。损坏设备!辅助返回框图调音台基础知识和应用4调音台基础知识和应用『4』——辅助返回和监听控制部分介绍一、辅助返回(主控B部分)说到辅助返回一定先要说发送返回效果。所谓发送返回效果就是我们通过辅助母线把音频信号发送给一个

xx****88
实名认证
内容提供者


最近下载
一种胃肠道超声检查助显剂及其制备方法.pdf
201651206021+莫武林+浅析在互联网时代下酒店的营销策略——以湛江民大喜来登酒店为例.doc
201651206021+莫武林+浅析在互联网时代下酒店的营销策略——以湛江民大喜来登酒店为例.doc
用于空间热电转换的耐高温涡轮发电机转子及其装配方法.pdf
用于空间热电转换的耐高温涡轮发电机转子及其装配方法.pdf
用于空间热电转换的耐高温涡轮发电机转子及其装配方法.pdf
用于空间热电转换的耐高温涡轮发电机转子及其装配方法.pdf
用于空间热电转换的耐高温涡轮发电机转子及其装配方法.pdf
用于空间热电转换的耐高温涡轮发电机转子及其装配方法.pdf
论《离骚》诠释史中的“香草”意蕴.docx