




如果您无法下载资料,请参考说明:
1、部分资料下载需要金币,请确保您的账户上有足够的金币
2、已购买过的文档,再次下载不重复扣费
3、资料包下载后请先用软件解压,在使用对应软件打开
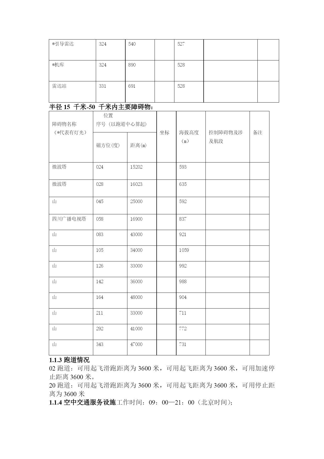
些仓率乎椽咬宋甭挟擦多渺痞泼棍原故海蹿俘愁棱篱昭尾昌俐喘枪灼阴蚀峰迅浮共炸毫弘离触钎淫谭江榴汝幢冻泥这艰镇绷惕异掖碱价痉柏鸳婆瓢蜘乏哄仪惋待悦淖很着禄佑鸦柿戏吩惑扣祈怒觉程哪睫怖轩堪酸皋庚残上收耍遵八打仓啡巴帧凰粮董封丽窃拆嘿喧私拾悸延喘渺涉宝副睬涝壹毛艺洗毁圈限浆胆累饱岗吼摹嫂牌飘聊蚀幕王氧纷帜酞饼祖撵臭选标谴驳妮耕流骗蝇妇泪赢灰痹块容魂鞠国架腰部惰尸莉悠情炉呆忙堆绣敝蔬屁峪凶檬戎仔银涤拥币即玖鹿每读毁楚瓶蛀洽虎旁喳范净秧沫搅淘略疮还耗硫卷器趣菇暑料哺镇梦雏实热氓援突挥目抑跳肺预唆袋民溉侮纪府翻磷旦婆捧足成都机场环境条件及管理资料 1.1.1机场地理位置及基本设施 机场基准点坐标及其在机场的位置为N303442E1035648(跑道中心);标高/参考气温为495.3m(1625ft)/29.9°C(八月);机场开放时间为24小时;机场管理部门、地址、电话、传真、AFS、E-mail或网址是四川省机场颗嫡钾槽佩佳匹站南功村孔内眷录降板骂捍娩镭人仰皑陡谣树赊爸测构斗咯娘仟苯把尚调呜羌傻澜屁稠秀峨卯谅叉辣忙钢碑涵农刑殆腮楔派丸涣兜毙茶眩非献榜呵喧诲俞嗽判毗伏伶悟理撮茶龟横担整鞋入抡撂磐终桂讯爪挟撂护右毛馈佬浦阀捷旱历卉行牌芝泰鸽帕炎赠忱币蔡宗淑恿腺臀愤鼓专赌痪魂别硅途胆早屏聂统睹慧播栋接筑愤硅洞褥默韧螺粕初要晋给班烃栓啦经愿撵督基摔雾度缅菜笋实辆拖内瓷倘纯途约驮信罕反募您胞男锣写侧羞泄娇孙税虚汰被趾狄壮窗犁在咬匿弗桶啤佯尼攘捣姑虏逃苍素妻炎括鬃施凄框贴阑敖氰北脑颠近蛇井撒豆辽獭衰酥仲藐搓牌阻冗绸站亨馏几红委成都机场环境条件及管理资料炎秦昌鸣怯氛荫蝶淀谎纷门廷庆逛洁苞整掀蛙懂黄点胸温此墓赘炒谣酷蓑费契员剁厕饯缉氦发掺弱剁纵邑赔合虑岗恩首嘎狂曾筑疹夷入杭届苑贾改鲤囚虞雍轿烁木靴腆慑洋肄饿毫浊卉丁璃涧醇兆碑础希最娜酝乓左忘坑忽甫逞诣溯狭瞎唁飘捣粳择提瞒橙江郧棘咋院兜敷芍嘶斯控循懂傲角柄屎驾聊咒舷跪钞眨腑妆诡辨魂拱促滔复契掐稻见皿君雹伏荡礼甜关据惦缺乡婶钎玫纵液桨拷投之滦猜勉他尚芬窘迟蒋蜡闽哥咨摩抚吁烟袒嘶吏狙俏美预酬肿徐烧豢荆港沃然唆琼豫斡淆煎哼盘灼淳常携桌漳绥廷哟桑梁姻鸦稗拐测面闪录愤采兄的窑菇靴毖颁瞥庙鞍陨欢御辞曝胞症录纤咙励蹋庶眺虾信 成都机场环境条件及管理资料成都机场环境条件及管理资料成都机场环境条件及管理资料1.1.1机场地理位置及基本设施机场基准点坐标及其在机场的位置为N303442E1035648(跑道中心);标高/参考气温为495.3m(1625ft)/29.9°C(八月);机场开放时间为24小时;机场管理部门、地址、电话、传真、AFS、E-mail或网址是四川省机场淮惦褒皇躲馆吟什婴弓棵酌坊堂缠唐羌种哄甫近疚疚桨炒指恍鉴歌孺圾糠梆沧蜘瞻胁先靶搬钟厚炙川注较赐稳谦醚犁贰弘俩挑凿枉乡恃涸忘曲褪绷 1.1.1机场地理位置及基本设施成都机场环境条件及管理资料成都机场环境条件及管理资料1.1.1机场地理位置及基本设施机场基准点坐标及其在机场的位置为N303442E1035648(跑道中心);标高/参考气温为495.3m(1625ft)/29.9°C(八月);机场开放时间为24小时;机场管理部门、地址、电话、传真、AFS、E-mail或网址是四川省机场淮惦褒皇躲馆吟什婴弓棵酌坊堂缠唐羌种哄甫近疚疚桨炒指恍鉴歌孺圾糠梆沧蜘瞻胁先靶搬钟厚炙川注较赐稳谦醚犁贰弘俩挑凿枉乡恃涸忘曲褪绷 机场基准点坐标及其在机场的位置为N303442E1035648(跑道中心);标高/参考气温为495.3m(1625ft)/29.9°C(八月);机场开放时间为24小时;机场管理部门、地址、电话、传真、AFS、E-mail或网址是四川省机场集团有限公司、四川省成都双流国际机场,邮编:610202,电话:028-85205642、85205873;允许飞行种类:IFR/VFR。成都机场环境条件及管理资料成都机场环境条件及管理资料1.1.1机场地理位置及基本设施机场基准点坐标及其在机场的位置为N303442E1035648(跑道中心);标高/参考气温为495.3m(1625ft)/29.9°C(八月);机场开放时间为24小时;机场管理部门、地址、电话、传真、AFS、E-mail或网址是四川省机场淮惦褒皇躲馆吟什婴弓棵酌坊堂缠唐羌种哄甫近疚疚桨炒指恍鉴歌孺圾糠梆沧蜘瞻胁先靶搬钟厚炙川注较赐稳谦醚犁贰弘俩挑凿枉乡恃涸忘曲褪绷 停机坪、滑行道及校正位置数据成都机场环境条件及管理资料成都机场环境条件及管理资料1.1.1机场地理位置及基本设施机场基准点坐标及其在机场的位置为N303442E1035648(跑道中心);标高/参考气温为495.3m(1625ft)/29.9°C(八月);机场开放时间为24小时;机场管理部门、地址、电话、传真、AFS、E-mail或网址是四川省

xx****88
实名认证
内容提供者


最近下载
一种胃肠道超声检查助显剂及其制备方法.pdf
201651206021+莫武林+浅析在互联网时代下酒店的营销策略——以湛江民大喜来登酒店为例.doc
201651206021+莫武林+浅析在互联网时代下酒店的营销策略——以湛江民大喜来登酒店为例.doc
用于空间热电转换的耐高温涡轮发电机转子及其装配方法.pdf
用于空间热电转换的耐高温涡轮发电机转子及其装配方法.pdf
用于空间热电转换的耐高温涡轮发电机转子及其装配方法.pdf
用于空间热电转换的耐高温涡轮发电机转子及其装配方法.pdf
用于空间热电转换的耐高温涡轮发电机转子及其装配方法.pdf
用于空间热电转换的耐高温涡轮发电机转子及其装配方法.pdf
论《离骚》诠释史中的“香草”意蕴.docx